Запчасти Komatsu WB91R-2 ПЕРЕДНИЙ МОСТ (WD) (/) РАМА

Схема запчастей Komatsu WB91R-2 - ПЕРЕДНИЙ МОСТ (WD) (/) РАМА
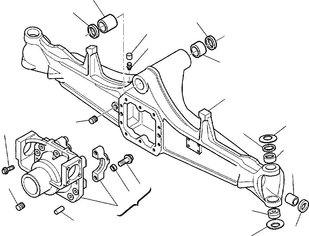
1
2
2
3
4
5
6
18
7
19
8
9
10
18
15
16
12
14
17
11
13
FIT
1:1
100%

Артикул

Название

Примечание

Количество

\0

200040634

FRONT AXLE, ASSY

1

CA0126610

BUSHING

2

CA0120717

SEAL

3

CA0130532

COVER

4

CA0104988

BREATHER

5

CA0126611

BUSHING

6

CA0131469

AXLE HOUSING

7

CA0128633

SPRING

8

CA0131265

SPACER WASHER

9

CA0123641

BUSHING

10

CA0118547

BUSH

11

CA0116723

SEAL

12

CA0123726

SPHERICAL BEARING

13

CA0128630

SPRING WASHER

14

CA0122964

DIFFERENTIAL SUPPORT

15

CA0126022

BOLT

16

CA0072235

BUSH

17

CA0087660

PIN

18

CA0092270

OIL PLUG

19

CA0125827

BOLT

Выбрано товаров: 20