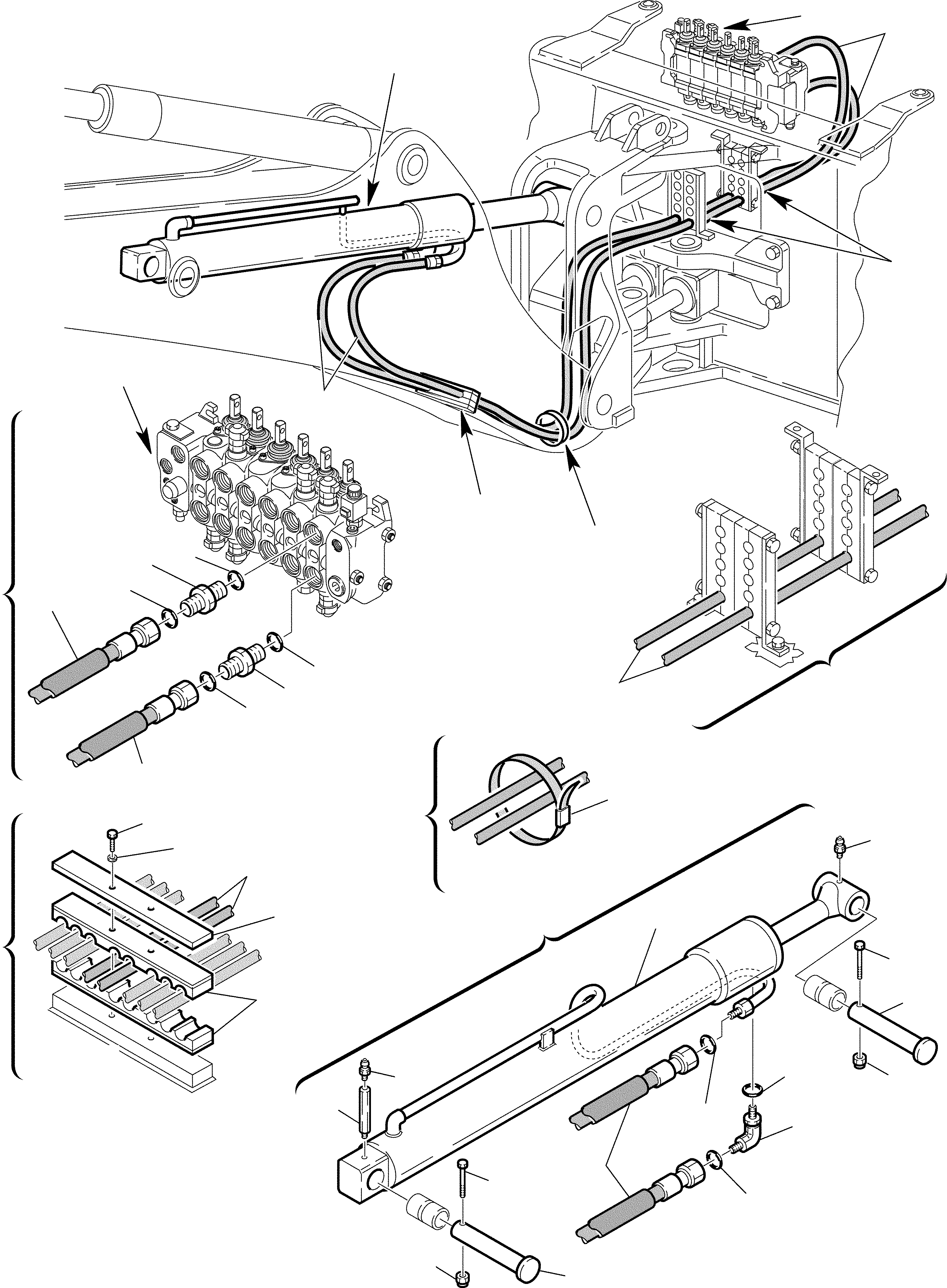
Запчасти Komatsu WB91R-2 ГИДРОЛИНИЯ (ЦИЛИНДР СТРЕЛЫ) ГИДРАВЛИКА РАБОЧЕЕ ОБОРУДОВАНИЕ

Схема запчастей Komatsu WB91R-2 - ГИДРОЛИНИЯ (ЦИЛИНДР СТРЕЛЫ) ГИДРАВЛИКА РАБОЧЕЕ ОБОРУДОВАНИЕ
21
A
4
A
B
B
C
C
D
D
E
E
A
4
2
1
3
4
2
4
1
3
4
5
20
14
4
18
22
7
6
19
10
14
8
13
12
9
4
16
11
17
15
FIT
1:1
100%

Артикул

Название

Примечание

Количество

1

500380113

UNION

2

855051119

O-RING

3

855051018

O-RING

4

392860014

HOSE

5

334402053

BELT

6

312704611

PIN

7

801015584

BOLT

8

801880212

WASHER

9

500380512

ELBOW

10

855051617

O-RING

11

855051018

O-RING

12

855051018

O-RING

13

390053005

EXTENSION FITTING

14

860010007

FITTING

15

390597070

PIN

16

801015582

SCREW

17

801880212

WASHER

18

312708642

PLATE

19

312708058

BUCKLE

20

801015563

BOLT

21

802170002

WASHER

22

395001015

JACK ASSY

Выбрано товаров: 22