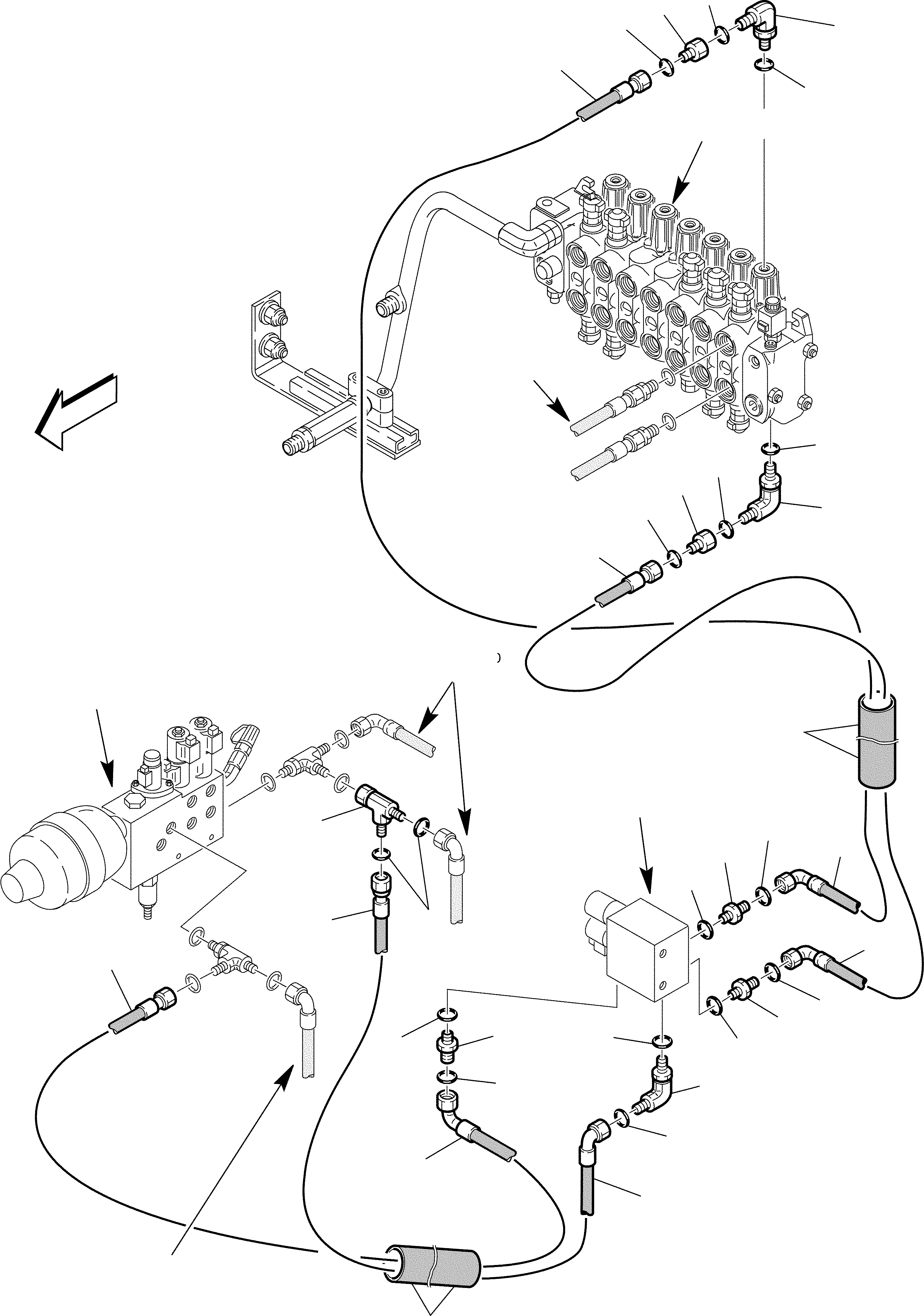
Запчасти Komatsu WB91R-2 ГИДРОЛИНИЯ (ЦИЛИНДР ФИКСИР. РУКОЯТИ) (С PPC) ГИДРАВЛИКА РАБОЧЕЕ ОБОРУДОВАНИЕ

Схема запчастей Komatsu WB91R-2 - ГИДРОЛИНИЯ (ЦИЛИНДР ФИКСИР. РУКОЯТИ) (С PPC) ГИДРАВЛИКА РАБОЧЕЕ ОБОРУДОВАНИЕ
2
1
3
4
5
6
2
3
4
5
7
1
18
7
10
8
9
10
6
9
8
11
12
13
14
21
19
20
17
18
14
16
15
17
A
B
C
D
E
F
FIT
1:1
100%

Артикул

Название

Примечание

Количество

1

500352116

ELBOW

2

855051111

O-RING

3

855670016

O-RING

4

312693072

VALVE

5

855670016

O-RING

6

392078010

HOSE

7

392078013

HOSE

8

500351756

UNION

9

855051113

O-RING

10

855670016

O-RING

11

500352110

ELBOW

12

855051113

O-RING

13

855051011

O-RING

14

392368152

HOSE

15

500355912

'T'' UNION

16

855051011

O-RING

17

392078012

HOSE

18

312693671

PROTECTION

19

312693723

UNION

20

855051113

O-RING

21

855670016

O-RING

Выбрано товаров: 21