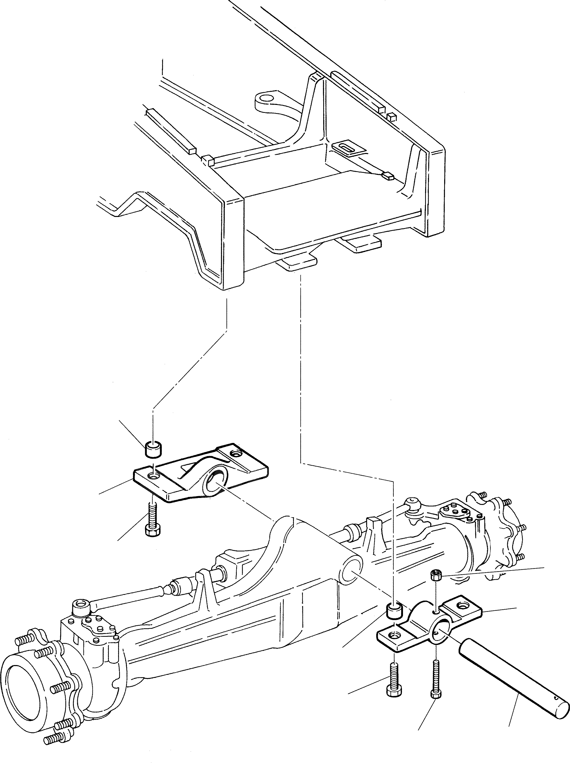
Запчасти Komatsu WB91R-2 ПЕРЕДНИЙ МОСТ КРЕПЛЕНИЕ (WD) РАМА

Схема запчастей Komatsu WB91R-2 - ПЕРЕДНИЙ МОСТ КРЕПЛЕНИЕ (WD) РАМА
6
3
7
5
4
2
4
1
2
FIT
1:1
100%

Артикул

Название

Примечание

Количество

1

312606601

REAR SUPPORT

2

CA0116529

BUSHING

3

312606600

FRONT SUPPORT

4

801015653

BOLT

5

801015584

BOLT

6

801880212

SELF-LOCKING NUT

7

312606602

PIN

Выбрано товаров: 7