Запчасти Komatsu WB91R-2 ТРАНСМИССИЯ (WD) (/) РАМА

Схема запчастей Komatsu WB91R-2 - ТРАНСМИССИЯ (WD) (/) РАМА
A
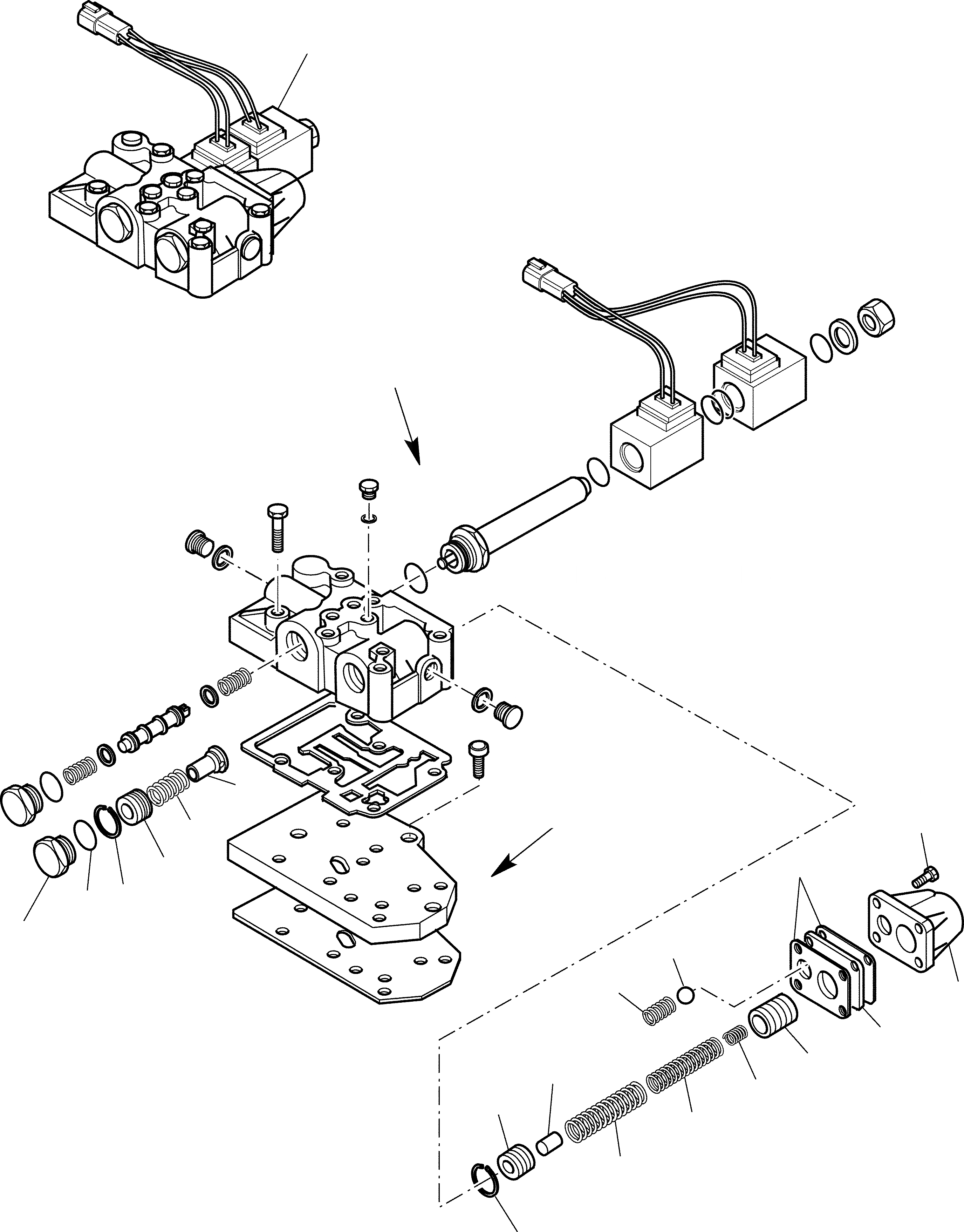
1
A
7
9
6
11
5
4
3
2
8
20
10
12
13
17
14
18
15
16
19
FIT
1:1
100%

Артикул

Название

Примечание

Количество

\0

200120074

GEAR SHAFT, ASSY

1

CA0148367

DISTRIBUTOR

2

CA0132922

PLUG

3

CA0028129

O-RING

4

CA0024898

SNAP RING

5

CA0132917

PISTON

6

CA0132927

SPRING

7

CA0139215

SPRING BUSH

8

CA0041635

BALL

9

CA0021373

BOLT

10

CA0132912

VALVE COVER

11

CA0132919

PLATE GASKET

12

CA0139934

PLATE

13

CA0134084

OUTWARD PISTON

14

CA0134074

SPRING

15

CA0134075

SPRING

16

CA0134089

SPRING

17

CA0134086

PIN

18

CA0132670

INWARD PISTON

19

CA0141973

SNAP RING

20

CA0132928

SPRING

Выбрано товаров: 21