Запчасти Komatsu WB91R-5 УПРАВЛ-Е ПОГРУЗ. КОВШОМ КЛАПАН (3-Х СЕКЦИОНН.S) (/) ГИДРАВЛИКА РАБОЧЕЕ ОБОРУДОВАНИЕ

Схема запчастей Komatsu WB91R-5 - УПРАВЛ-Е ПОГРУЗ. КОВШОМ КЛАПАН (3-Х СЕКЦИОНН.S) (/) ГИДРАВЛИКА РАБОЧЕЕ ОБОРУДОВАНИЕ
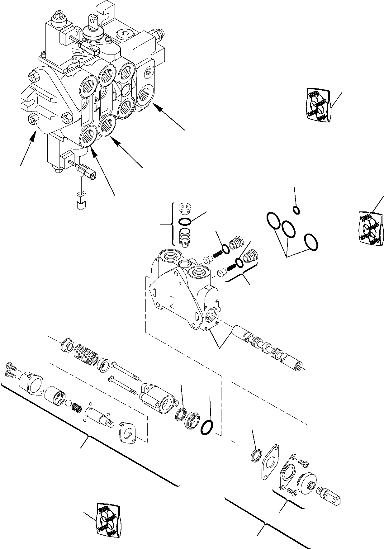
11
8
10
9
3
15
15
14
2
1
4
5
6
7
12
12
13
A
B
C
D
FIT
1:1
100%

Артикул

Название

Примечание

Количество

\0

42N-64-11590

3-SPOOL CONTROL VALVE, ASSY.

\0

RE08403332

BLOCK, SHOVEL, ASSY.

1

ELEMENT, ASSY.

2

844200746

VALVE, ASSY.

3

844200416

KIT, VALVE

4

844200615

OPERATION KIT

5

844200427

BOOT

6

RE08201520

KIT, BELLOWS

7

844200700

KIT, GASKET, ASSY.

8

844200413

KIT, GASKET

9

O-RING

10

O-RING

11

844200632

KIT, GASKET

12

SEAL

13

O-RING

14

O-RING

15

O-RING

Выбрано товаров: 17