Запчасти Komatsu WB91R-5E0 УПРАВЛ-Е ПОГРУЗ. КОВШОМ КЛАПАН (3-Х СЕКЦИОНН.) (/) ГИДРАВЛИКА РАБОЧЕЕ ОБОРУДОВАНИЕ

Схема запчастей Komatsu WB91R-5E0 - УПРАВЛ-Е ПОГРУЗ. КОВШОМ КЛАПАН (3-Х СЕКЦИОНН.) (/) ГИДРАВЛИКА РАБОЧЕЕ ОБОРУДОВАНИЕ
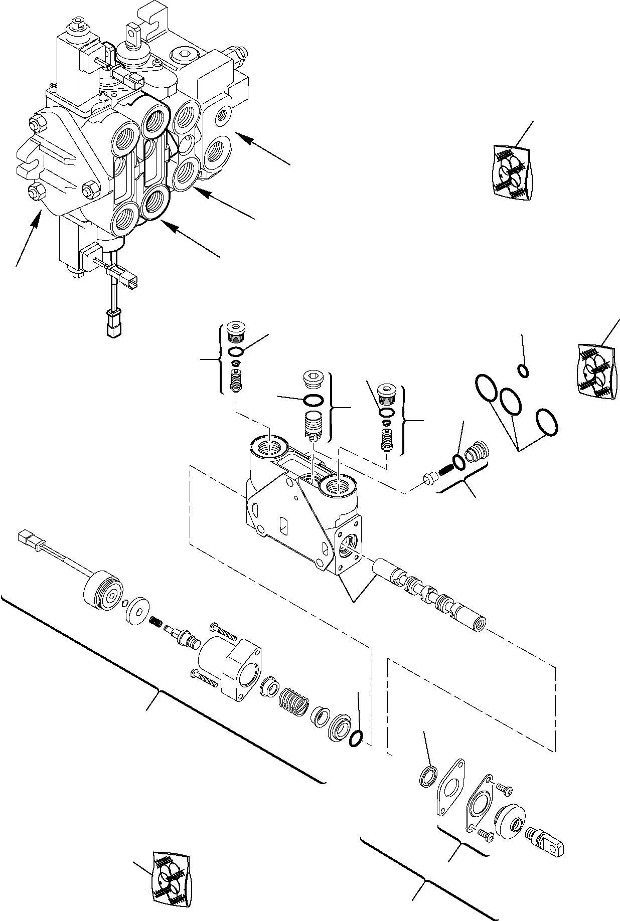
9
10
12
15
4
15
16
2
17
3
11
5
1
18
6
14
13
8
7
A
B
C
D
FIT
1:1
100%

Артикул

Название

Примечание

Количество

\0

42N-64-11590

3-SPOOL CONTROL VALVE, ASSY.

\0

RE08403333

BUCKET, ELEMENT, ASSY.

1

ELEMENT, ASSY.

2

RE08205023

PRESSURE COMPENSATOR KIT

3

RE08103220

SAFETY VALVE

4

RE08104520

SAFETY VALVE

5

844200416

KIT, VALVE

6

RE08201519

KIT, REGULATION

7

844200615

OPERATION KIT

8

844200427

BOOT

9

844200699

KIT, GASKET

10

844200413

KIT, GASKET

11

O-RING

12

O-RING

13

844200632

KIT, GASKET

14

SEAL

15

O-RING

16

O-RING

17

O-RING

18

O-RING

Выбрано товаров: 20