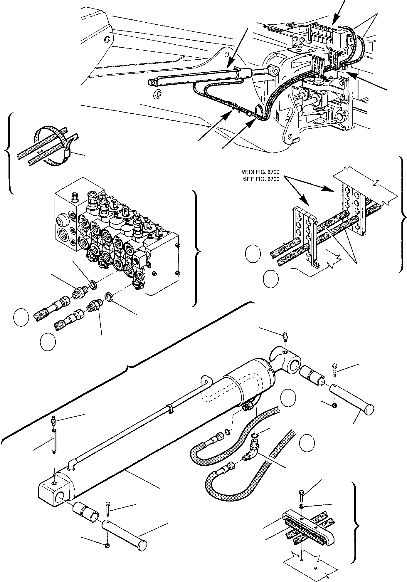
Запчасти Komatsu WB93R-2 ГИДРОЛИНИЯ (ЦИЛИНДР СТРЕЛЫ) ГИДРАВЛИКА РАБОЧЕЕ ОБОРУДОВАНИЕ

Схема запчастей Komatsu WB93R-2 - ГИДРОЛИНИЯ (ЦИЛИНДР СТРЕЛЫ) ГИДРАВЛИКА РАБОЧЕЕ ОБОРУДОВАНИЕ
A
A
6
B
B
E
E
C
C
D
D
K
K
K
X
X
X
17
14
6
13
14
9
13
5
3
9
4
16
8
15
11
7
2
12
1
10
3
18
FIT
1:1
100%

Артикул

Название

Примечание

Количество

1

390597061

Pin

2

801015582

Bolt

3

801880212

Self-locking Nut

4

312704609

Pin

5

801015584

Bolt

6

392073010

Hose

7

395001004

Jack

8

390053005

Extension fitting

9

860010007

Fitting

10

312708630

Bracket

11

801015564

Bolt

12

802150510

Washer

13

500351720

Union

14

855051119

O Ring

15

500352131

Union

16

855051617

O Ring

17

334402053

Belt

18

312707603

Gasket

Выбрано товаров: 18