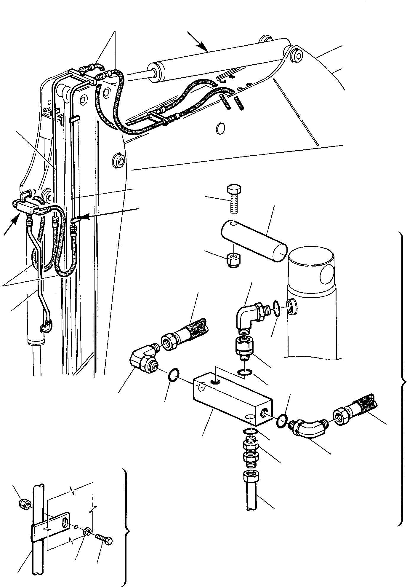
Запчасти Komatsu WB93R-2 ГИДРОЛИНИЯ (ЦИЛИНДР КОВША) (ФИКСИР. РУКОЯТЬ) ГИДРАВЛИКА РАБОЧЕЕ ОБОРУДОВАНИЕ

Схема запчастей Komatsu WB93R-2 - ГИДРОЛИНИЯ (ЦИЛИНДР КОВША) (ФИКСИР. РУКОЯТЬ) ГИДРАВЛИКА РАБОЧЕЕ ОБОРУДОВАНИЕ
A
A
B
B
A
11
9
10
16
15
17
7
11
11
1
3
7
11
2
7
5
14
1
13
12
8
8
4
6
8
9
10
FIT
1:1
100%

Артикул

Название

Примечание

Количество

1

312339063

PIPE

2

312339612

BLOCK

3

500358120

UNION

4

855051617

O-RING

5

312339611

UNION

6

855051617

O-RING

7

500352131

UNION

8

855051617

O-RING

9

312339050

PIPE, R.H.

10

312339051

PIPE, L.H.

11

392074012

Hose

12

801015110

BOLT

13

802170002

WASHER

14

801880001

SELF - LOCKING NUT

15

500322623

Pin

16

801015566

Bolt

17

801880001

Self-locking nut

Выбрано товаров: 17