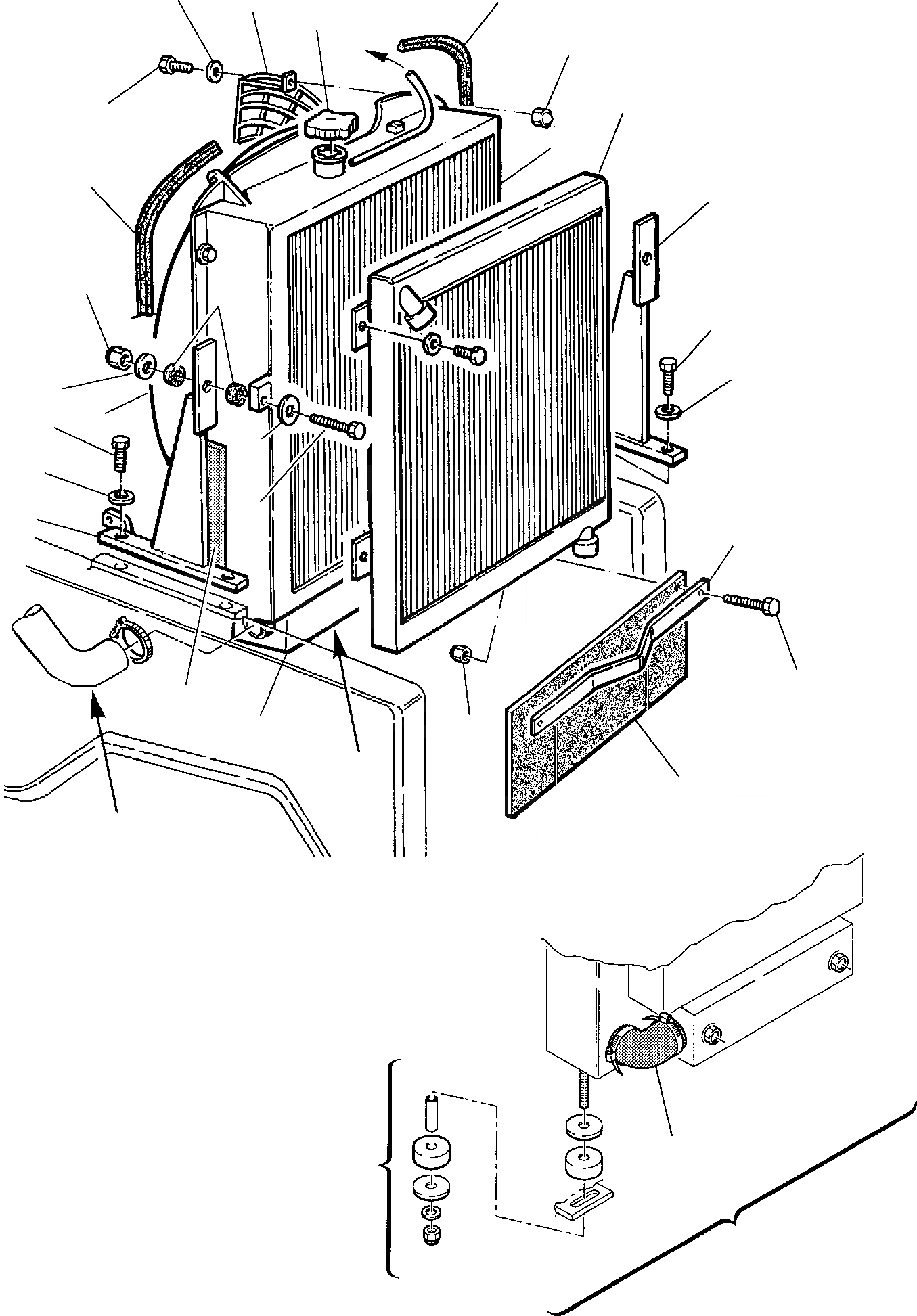
Запчасти Komatsu WB93R-2 РАДИАТОР КОМПОНЕНТЫ ДВИГАТЕЛЯ И ЭЛЕКТРИКА

Схема запчастей Komatsu WB93R-2 - РАДИАТОР КОМПОНЕНТЫ ДВИГАТЕЛЯ И ЭЛЕКТРИКА
17
A
19
A
18
A
1
20
4
16
2
15
21
14
12
10
9
13
5
10
13
9
11
8
22
23
26
3
24
25
6
7
FIT
1:1
100%

Артикул

Название

Примечание

Количество

\0

312607050

Complete radiator

1

875001111

Plug

2

875001145

Water radiator

3

875001147

Water-oil convert exchanger

4

875001146

Hydraulic air-oil exchange

5

875001148

Conveyor

6

875001149

Hose

7

875001128

Vibration damper

8

312607060

Radiator right support

9

802170002

Washer

10

801015109

Bolt

11

801015547

Bolt

12

500411236

Rubber

13

802148009

Washer

14

801880208

Self-locking nut

15

312607086

Gasket, R.H.

16

801015066

Bolt

17

802170000

Washer

18

312607079

Grid

19

312607087

Gasket, L.H.

20

801852206

Self-locking nut

21

312607061

Radiator left support

22

312607669

Plate

23

801015110

Bolt

24

801880001

Self-locking nut

25

312607668

Protection

26

855711076

Gasket

Выбрано товаров: 27