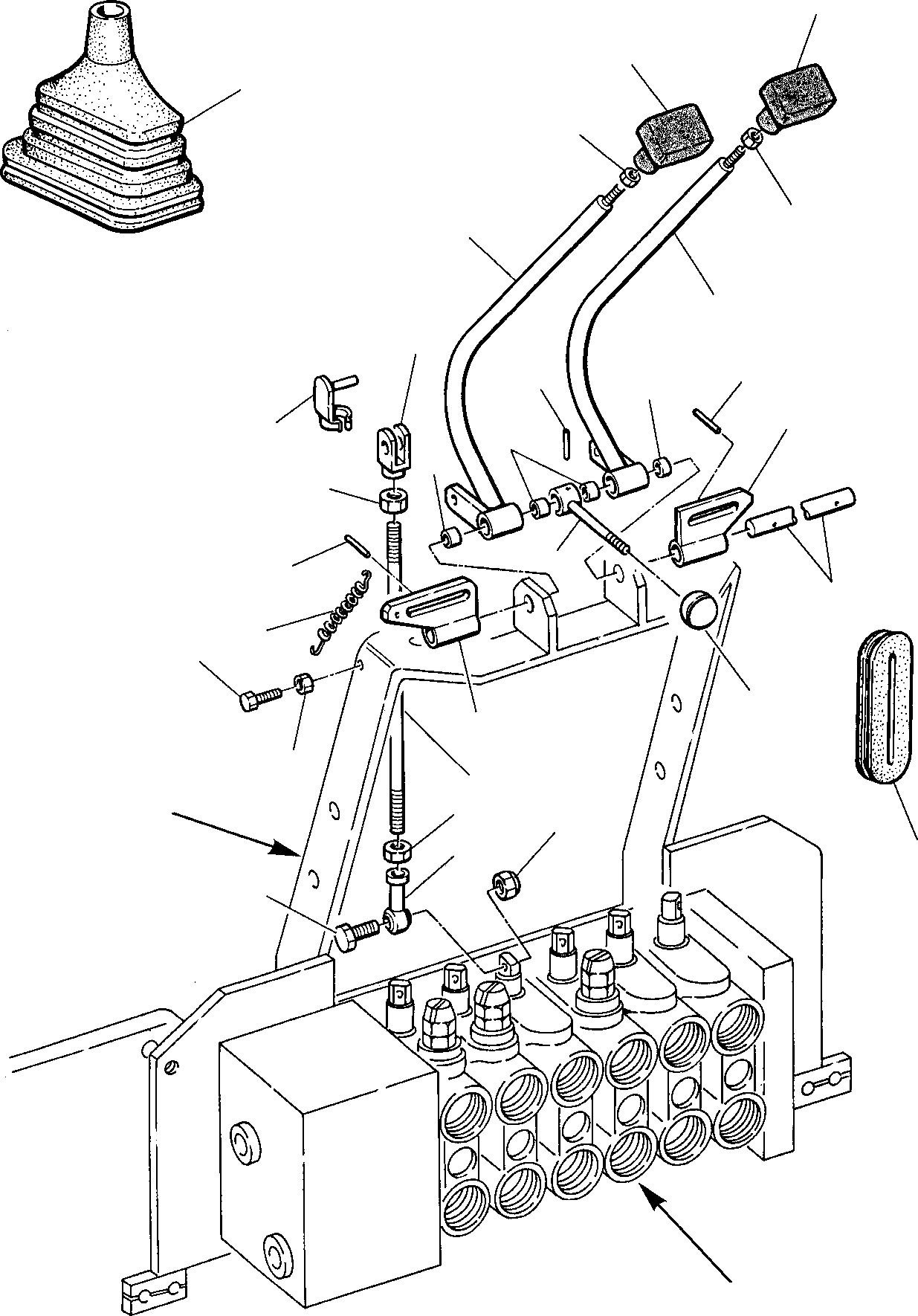
Запчасти Komatsu WB93R-2 ОПОРА РЫЧАГ УПРАВЛ-Я СИСТЕМА УПРАВЛЕНИЯ

Схема запчастей Komatsu WB93R-2 - ОПОРА РЫЧАГ УПРАВЛ-Я СИСТЕМА УПРАВЛЕНИЯ
5
5
1
4
A
B
4
2
3
9
8
7
8
14
10
7
7
11
6
8
15
12
22
16
13
23
18
11
21
17
19
20
FIT
1:1
100%

Артикул

Название

Примечание

Количество

1

311305748

Boot

2

312713051

Lever, R.H.

3

312713052

Lever, L.H.

4

801920104

Nut

5

816212265

Knob

6

312713053

Lever

7

805630015

Bushing

8

802510167

Elastic pin

9

802720020

Fork

10

802725020

Pin

11

801920105

Nut

12

804020008

Spring

13

312313057

Clamping plate, R.H.

14

312313058

Clamping plate, L.H.

15

312713604

Pin

16

816213544

Knob

17

816210419

Boot

18

500022684

Tie rod

19

805810013

Joint

20

801015557

Bolt

21

801880001

Self-locking nut

22

801015068

Bolt

23

801920103

Nut

Выбрано товаров: 23