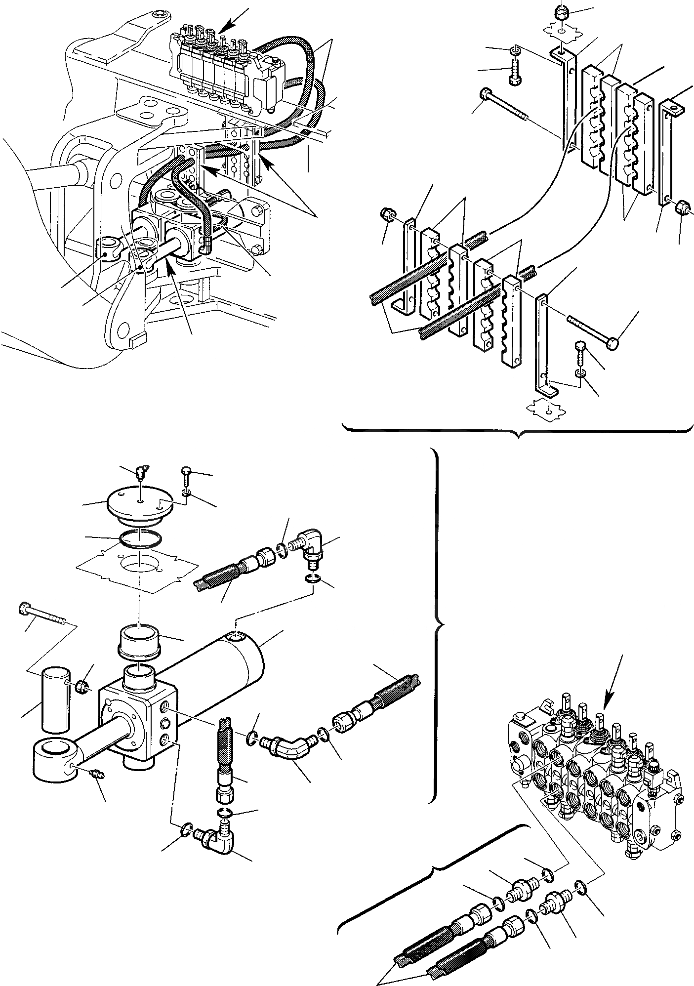
Запчасти Komatsu WB93R-2 ГИДРОЛИНИЯ (ПОВОРОТ СТРЕЛЫ) ГИДРАВЛИКА РАБОЧЕЕ ОБОРУДОВАНИЕ

Схема запчастей Komatsu WB93R-2 - ГИДРОЛИНИЯ (ПОВОРОТ СТРЕЛЫ) ГИДРАВЛИКА РАБОЧЕЕ ОБОРУДОВАНИЕ
A
A
28
B
B
C
C
13
A
21
1
24
23
27
25
21
24
24
24
21
26
26
21
20
8
25
9
1
22
23
19
17
15
7
18
16
5
6
20
8
14
12
9
20
6
11
7
1
5
7
10
3
6
5
2
4
3
2
4
1
FIT
1:1
100%

Артикул

Название

Примечание

Количество

1

392860015

HOSE

2

500380123

UNION

3

855051119

O-RING

4

855051012

O-RING

5

500380503

ELBOW

6

855051111

O-RING

7

855051012

O-RING

8

395005013

BOOM SWING CYLINDER ASSY., R.H.

9

395005014

BOOM SWING CYLINDER ASSY., L.H.

10

860010007

FITTING

13

801880212

WASHER

14

500213511

BUSHING

15

500014689

COVER

18

802170001

WASHER

19

860030004

FITTING

20

392860003

HOSE

21

312707600

SUPPORT

23

802170002

WASHER

24

312707608

SEMIBUCKLE

25

801014809

BOLT

26

801880208

SELF-LOCKING NUT

27

801015111

BOLT

28

801880001

SELF-LOCKING NUT

Выбрано товаров: 0