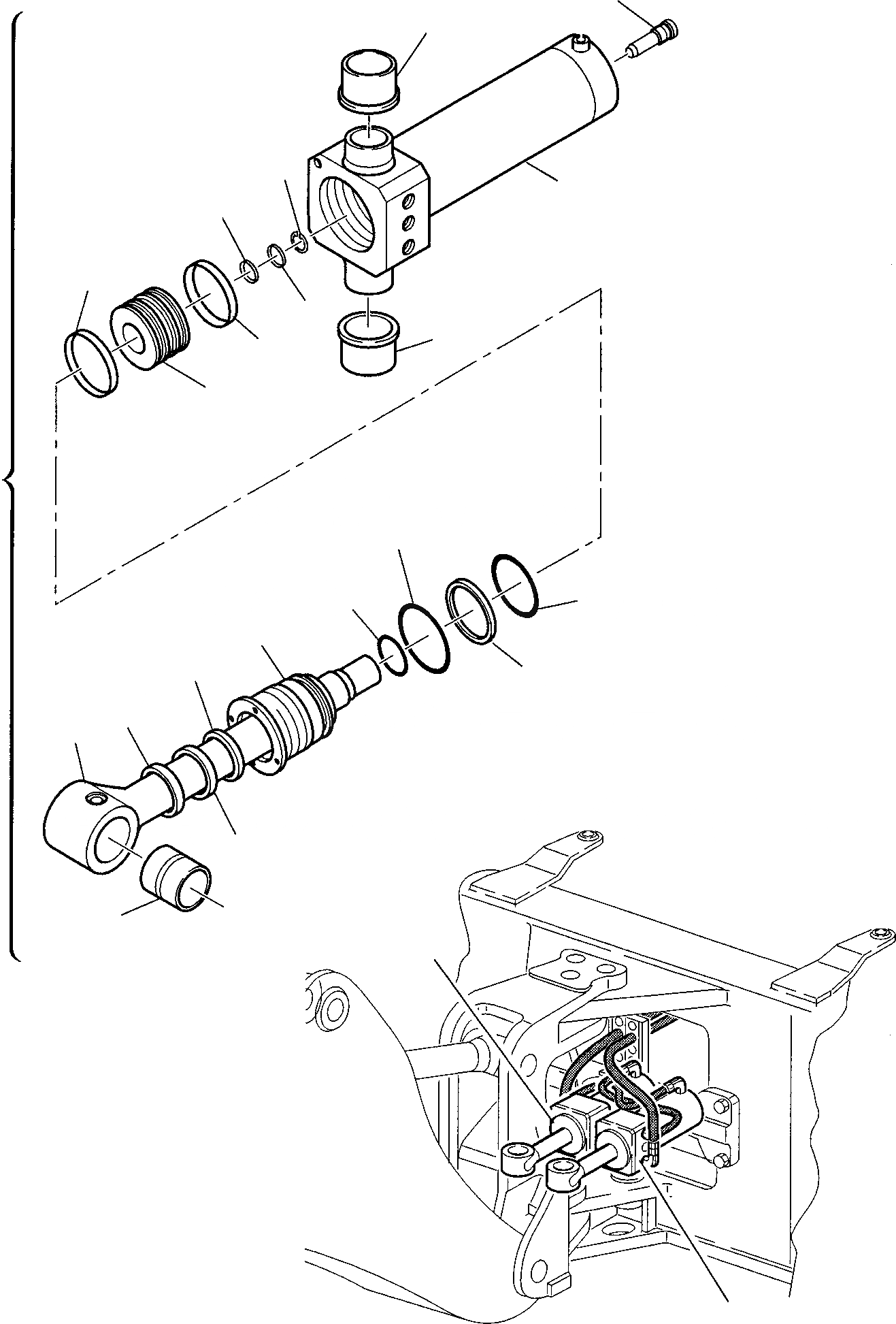
Запчасти Komatsu WB93R-2 ЦИЛИНДР ПОВОРОТА СТРЕЛЫ РАБОЧЕЕ ОБОРУДОВАНИЕ

Схема запчастей Komatsu WB93R-2 - ЦИЛИНДР ПОВОРОТА СТРЕЛЫ РАБОЧЕЕ ОБОРУДОВАНИЕ
13
11
10
9
12
7
19
8
10
20
6
1
2
16
15
18
5
14
17
21
3
22
4
1
2
FIT
1:1
100%

Артикул

Название

Примечание

Количество

1

395005013

BOOM SWING CYLINDER ASSY., R.H.

2

395005014

BOOM SWING CYLINDER ASSY., L.H.

3

395187012

ROD

4

390601058

BUSHING

5

500460953

RING NUT

6

395273018

PISTON

7

500468851

RING

8

500252046

RING

9

802250530

RING

10

500213004

BUSHING

11

395093011

CYLINDER, RIGHT

12

395094011

CYLINDER , LEFT

13

312705602

CYLINDER

\13

878000493

GASKET KIT

14

GASKET

15

O-RING

16

O-RING

17

RING

18

O-RING

19

GASKET

20

RING WEAR

21

SCRAPER RING

22

GASKET

Выбрано товаров: 23