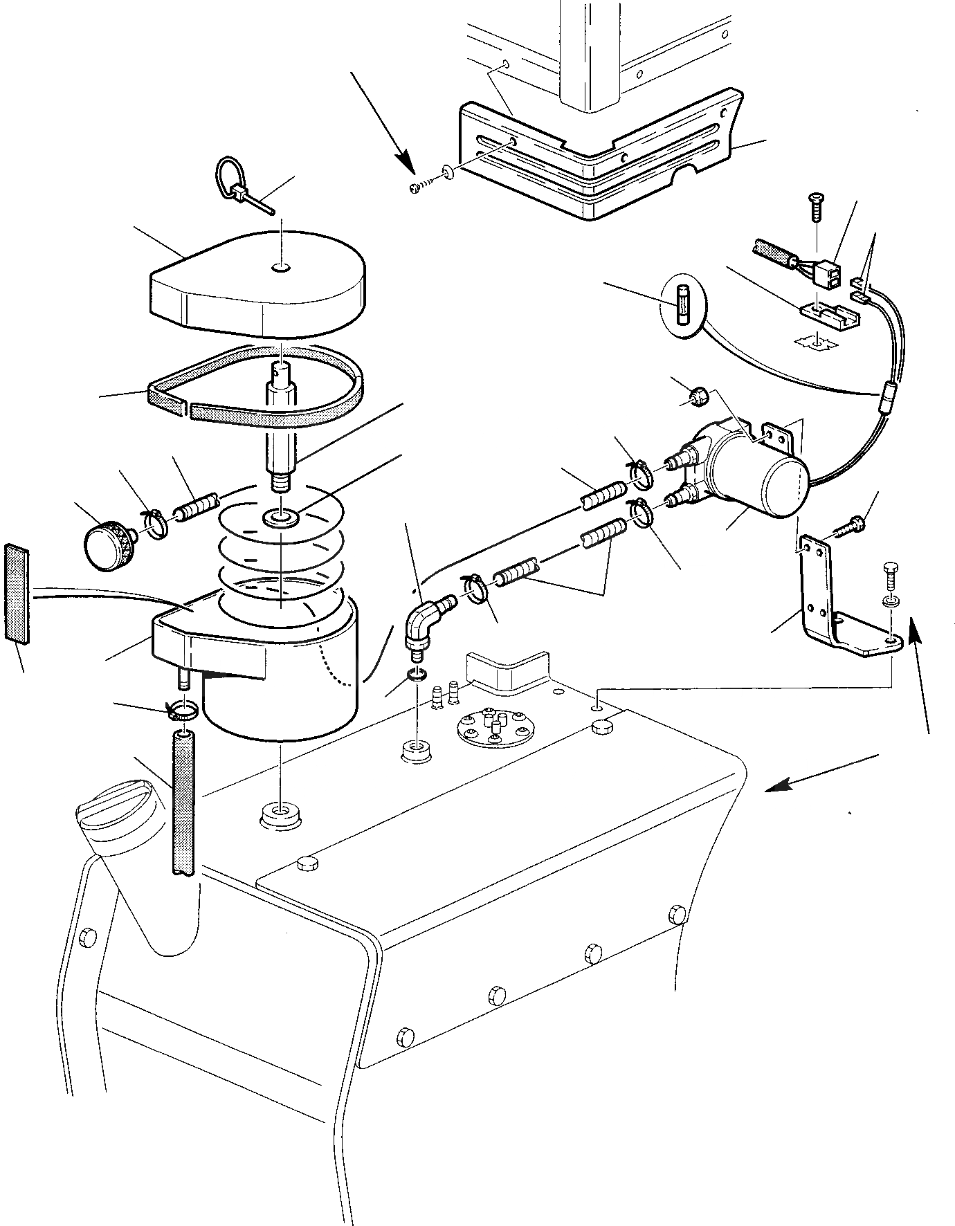
Запчасти Komatsu WB93R-2 НАСОС ДЛЯ АВТОМАТИЧ. ТОПЛ. ЗАПРАВКИ (ОПЦИОНН.) КОМПОНЕНТЫ ДВИГАТЕЛЯ И ЭЛЕКТРИКА

Схема запчастей Komatsu WB93R-2 - НАСОС ДЛЯ АВТОМАТИЧ. ТОПЛ. ЗАПРАВКИ (ОПЦИОНН.) КОМПОНЕНТЫ ДВИГАТЕЛЯ И ЭЛЕКТРИКА
A
B
20
16
22
21
15
23
24
3
12
5
9
5
9
2
10
7
4
5
6
5
1
11
19
17
8
18
13
14
FIT
1:1
100%

Артикул

Название

Примечание

Количество

1

312613650

PUMP SUPPORT

2

801015063

BOLT

3

801880206

NUT

4

885121013

PUMP

5

802660003

WRAPPER

6

312636612

PIPE

7

500358510

ELBOW

8

855051617

O-RING

9

306420641

PIPE

10

848200038

FILTER

11

312636050

CONTAINER

12

312636615

GASKET

13

312613649

PIN

14

802148013

WASHER

15

312636614

COVER

16

802620006

COTTER

17

802660002

WRAPPER

18

312636613

PIPE

19

500411505

GASKET

20

312605790

CLOSURE

21

885201114

MALE CONNECTOR

22

885201123

BODY

23

885201124

PLATE

24

885091023

FUSE

Выбрано товаров: 24