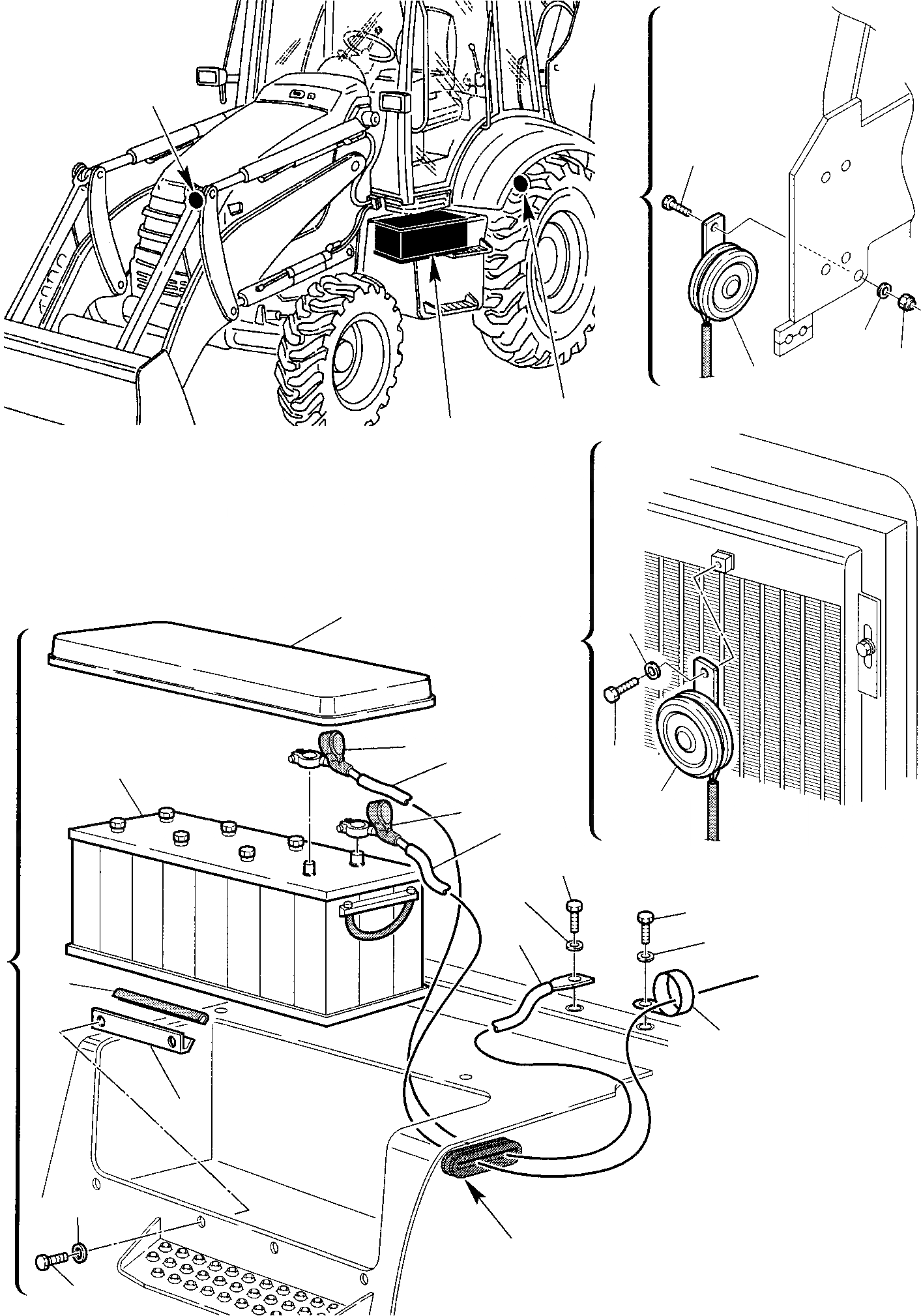
Запчасти Komatsu WB93R-2 ЭЛЕКТРИКА (/) КОМПОНЕНТЫ ДВИГАТЕЛЯ И ЭЛЕКТРИКА

Схема запчастей Komatsu WB93R-2 - ЭЛЕКТРИКА (/) КОМПОНЕНТЫ ДВИГАТЕЛЯ И ЭЛЕКТРИКА
A
A
B
B
C
C
A
18
17
19
15
2
17
7
16
6
1
15
9
8
13
14
11
6
12
20
10
3
5
4
FIT
1:1
100%

Артикул

Название

Примечание

Количество

1

885010005

BATTERY

2

312605769

BATTERY COVER

3

312613075

BATTERY RETAINER

5

802170001

WASHER

6

312612090

TERMINAL (-), ASSY

7

885241019

COVER

8

312612101

TERMINAL(+), ASSY

9

885240018

COVER

10

802660501

COLLAR

12

802170002

WASHER

14

802170002

WASHER

15

885100001

HORN

16

801015084

BOLT

17

802170001

WASHER

18

801015087

BOLT

19

801880208

SELF-LOCKING NUT

20

855710058

PROTECTION GASKET

Выбрано товаров: 0