Качественные детали и логистика
Оригинальные и аналоговые запчасти с доставкой по России, Казахстану и Беларуси
©2022 PartSell ООО "Система" ИНН 2463123282 ОГРН 1212400004838
Центральный офис: г. Красноярск, Академика Киренского, д.87, пом.4
Телефон: 8 (800) 777-65-74 Email: zakaz@partsell.ru
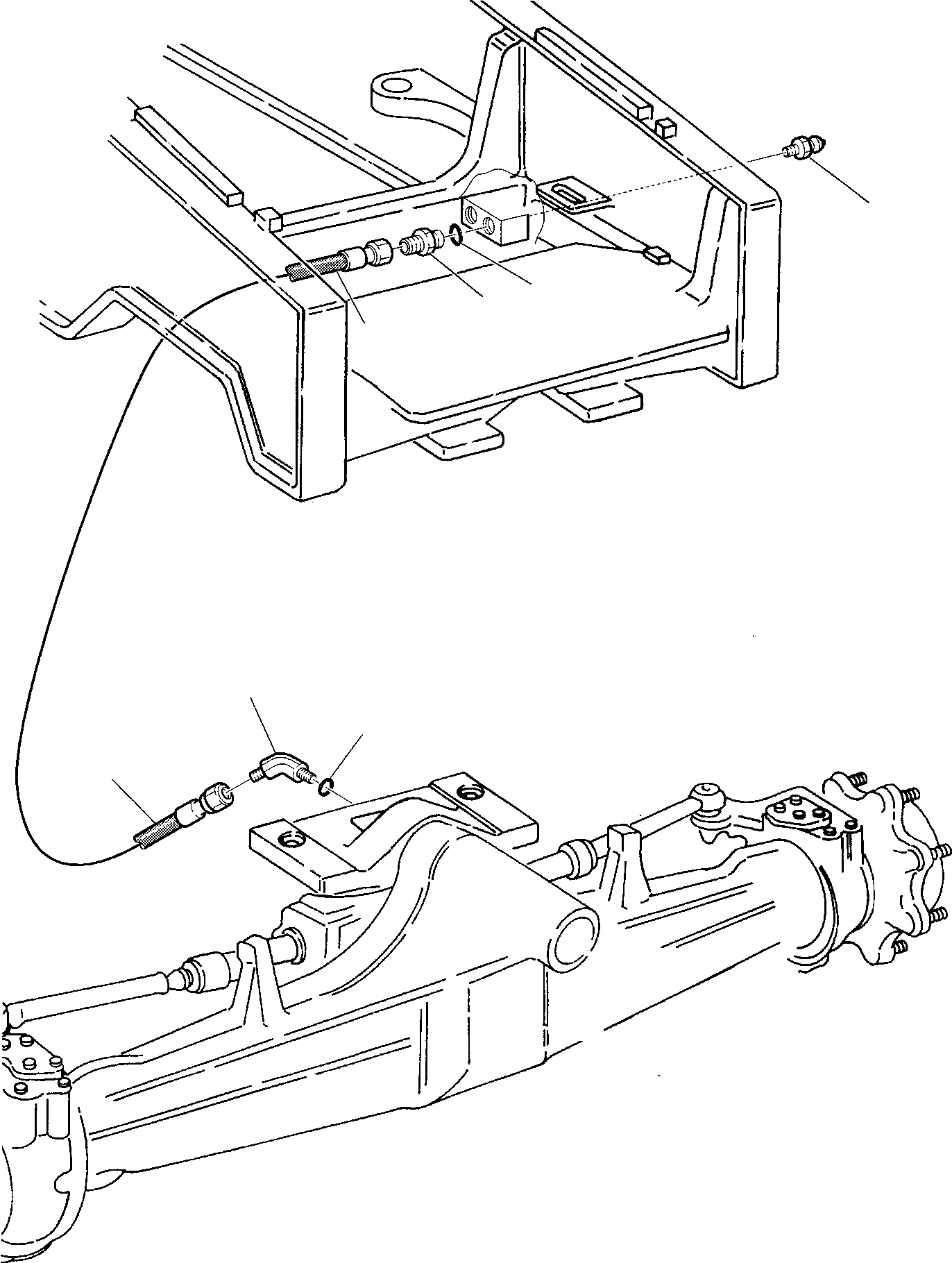
СИСТЕМА СМАЗКИ МОСТА
№
Артикул
Название
Примечание
Количество
1
860010007
FITTING
2
500358752
UNION
3
855670020
O-RING
4
392363045
PIPE
5
500355715
6
855051111
Выбрано товаров: 0