Запчасти Komatsu WB93R-2 УПРАВЛЯЮЩ. КЛАПАН (7-СЕКЦИОНН) (ДЛЯ МОЛОТА) (/) ГИДРАВЛИКА РАБОЧЕЕ ОБОРУДОВАНИЕ

Схема запчастей Komatsu WB93R-2 - УПРАВЛЯЮЩ. КЛАПАН (7-СЕКЦИОНН) (ДЛЯ МОЛОТА) (/) ГИДРАВЛИКА РАБОЧЕЕ ОБОРУДОВАНИЕ
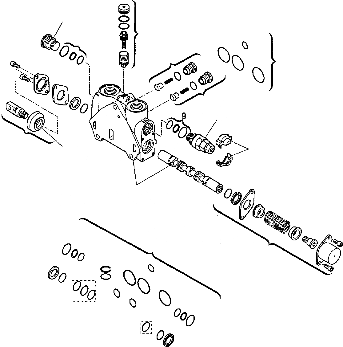
7
3
9
4
2
4
8
5
11
6
12
1
13
10
FIT
1:1
100%

Артикул

Название

Примечание

Количество

\0

844020226

CONTROL VALVE,ASSY

\0

844200483

BLOCK, HAMMER CONTROL ASSY

1

HOUSING KIT

2

844200413

SEAL KIT

3

844200614

COMPESATOR KIT

4

844200416

VALVE KIT

5

844200615

OPERATING KIT

6

844200427

BOOT

7

844200449

SECONDARY VALVE

8

844200441

SECONDARY VALVE

9

844200174

SECONDARY VALVE SEAL KIT

10

844200425

COVER KIT

11

844200423

LOCKING COVER KIT (ORANGE)

12

844200424

LOCKING COVER KIT (BLUE)

13

844200419

SEAL KIT

Выбрано товаров: 15