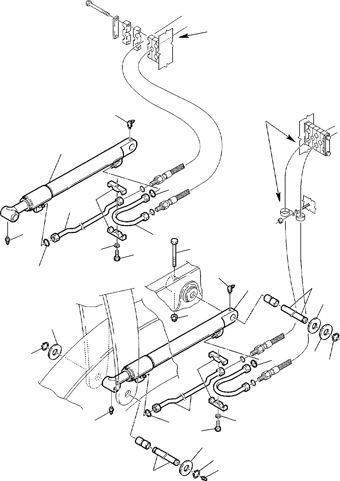
Запчасти Komatsu WB93R-2 ГИДРОЛИНИЯ (ЦИЛИНДР ПОДЪЕМА ПОГРУЗ. КОВША) (/) ГИДРАВЛИКА РАБОЧЕЕ ОБОРУДОВАНИЕ

Схема запчастей Komatsu WB93R-2 - ГИДРОЛИНИЯ (ЦИЛИНДР ПОДЪЕМА ПОГРУЗ. КОВША) (/) ГИДРАВЛИКА РАБОЧЕЕ ОБОРУДОВАНИЕ
A
A
FRAME
FRAME
9
1
3
6
4
2
5
8
11
7
3
9
10
1
13
12
17
18
15
3
14
6
4
2
8
3
7
17
18
19
16
FIT
1:1
100%

Артикул

Название

Примечание

Количество

1

395012014

HYDRAULIC JACK, ASSY

2

860010007

FITTING

3

855051016

O-RING

4

312610061

PIPE

5

312610056

PIPE

6

200390970

BUCKLE

7

801015089

BOLT

8

802170001

WASHER

12

801880212

SELF-LOCKING NUT

14

802270019

SNAP RING

15

390608006

WASHER

17

390608002

WASHER

18

802270017

SNAP RING

19

860010007

FITTING

Выбрано товаров: 0