Запчасти Komatsu WB93R-2 ГИДРОЛИНИЯ (ЦИЛИНДР ОПРОКИД-Я КОВША) (С ВОЗВРАТ В РАБОЧ. ПОЛОЖ-Е) ГИДРАВЛИКА РАБОЧЕЕ ОБОРУДОВАНИЕ

Схема запчастей Komatsu WB93R-2 - ГИДРОЛИНИЯ (ЦИЛИНДР ОПРОКИД-Я КОВША) (С ВОЗВРАТ В РАБОЧ. ПОЛОЖ-Е) ГИДРАВЛИКА РАБОЧЕЕ ОБОРУДОВАНИЕ
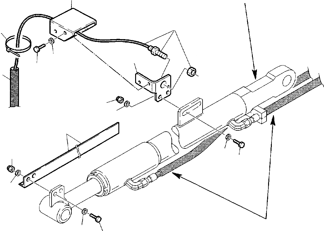
A
B
10
9
13
12
5
11
14
8
7
1
7
4
6
3
3
2
FIT
1:1
100%

Артикул

Название

Примечание

Количество

1

312670609

LEVEL BAR

2

801015574

BOLT

3

802170003

WASHER

4

801880212

SELF-LOCKING NUT

5

312611606

SUPPORT

6

801015543

BOLT

7

802170001

WASHER

8

801880208

SELF-LOCKING NUT

9

885270701

WIRING, ASSY

10

312607607

PROTECTION

11

801015064

BOLT

12

802170000

WASHER

13

885180010

CLAMP

14

312670603

PROTECTION

Выбрано товаров: 14