Запчасти Komatsu WB93R-2 ПЕРЕДНИЙ МОСТ (WD) (/) РАМА

Схема запчастей Komatsu WB93R-2 - ПЕРЕДНИЙ МОСТ (WD) (/) РАМА
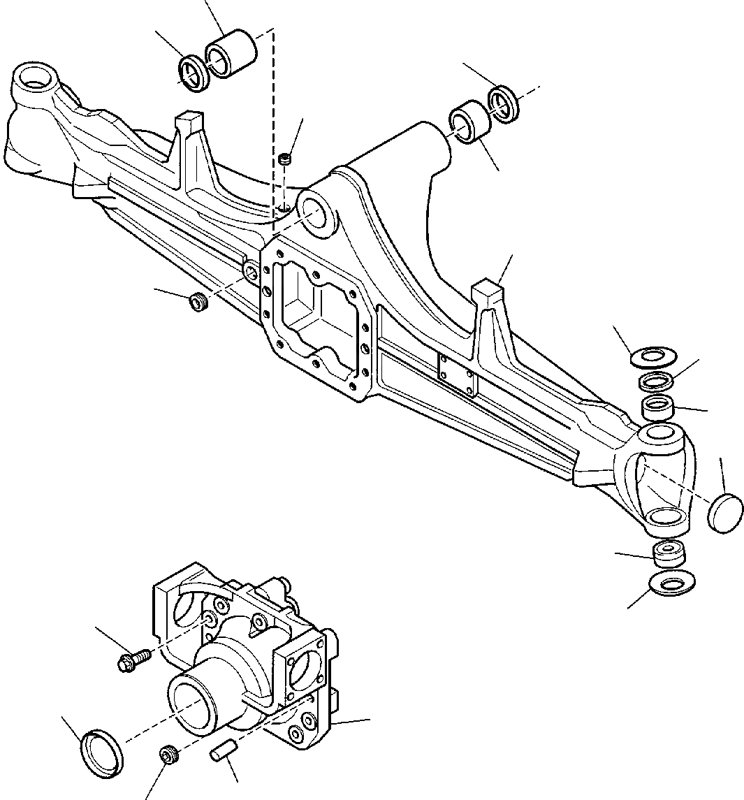
1
12
2
2
5
4
6
3
7
8
9
10
11
16
15
13
14
3
FIT
1:1
100%

Артикул

Название

Примечание

Количество

\0

200040622

FRONT AXLE, ASSY

2

CA0120717

OIL SEAL

3

CA0215650

OIL PLUG

5

CA0021558

PLUG

6

CA0131496

AXLE HOUSING

7

CA0128633

BELLEVILLE WASHER

8

CA0131265

SPACER

10

CA0133415

PLUG

11

CA0123726

SPHERICAL BEARING

12

CA0128630

SPRING WASHER

13

CA0138302

DIFFERENTIAL SUPPORT

14

CA0087660

PIN

15

CA0138301

PLUG

16

CA0125827

BOLT

Выбрано товаров: 0