Запчасти Komatsu WB93R-2 ВОЗДУШН. СИСТЕМА ДВИГАТЕЛЯ (/) ЧАСТИ КОРПУСА И КАБИНА

Схема запчастей Komatsu WB93R-2 - ВОЗДУШН. СИСТЕМА ДВИГАТЕЛЯ (/) ЧАСТИ КОРПУСА И КАБИНА
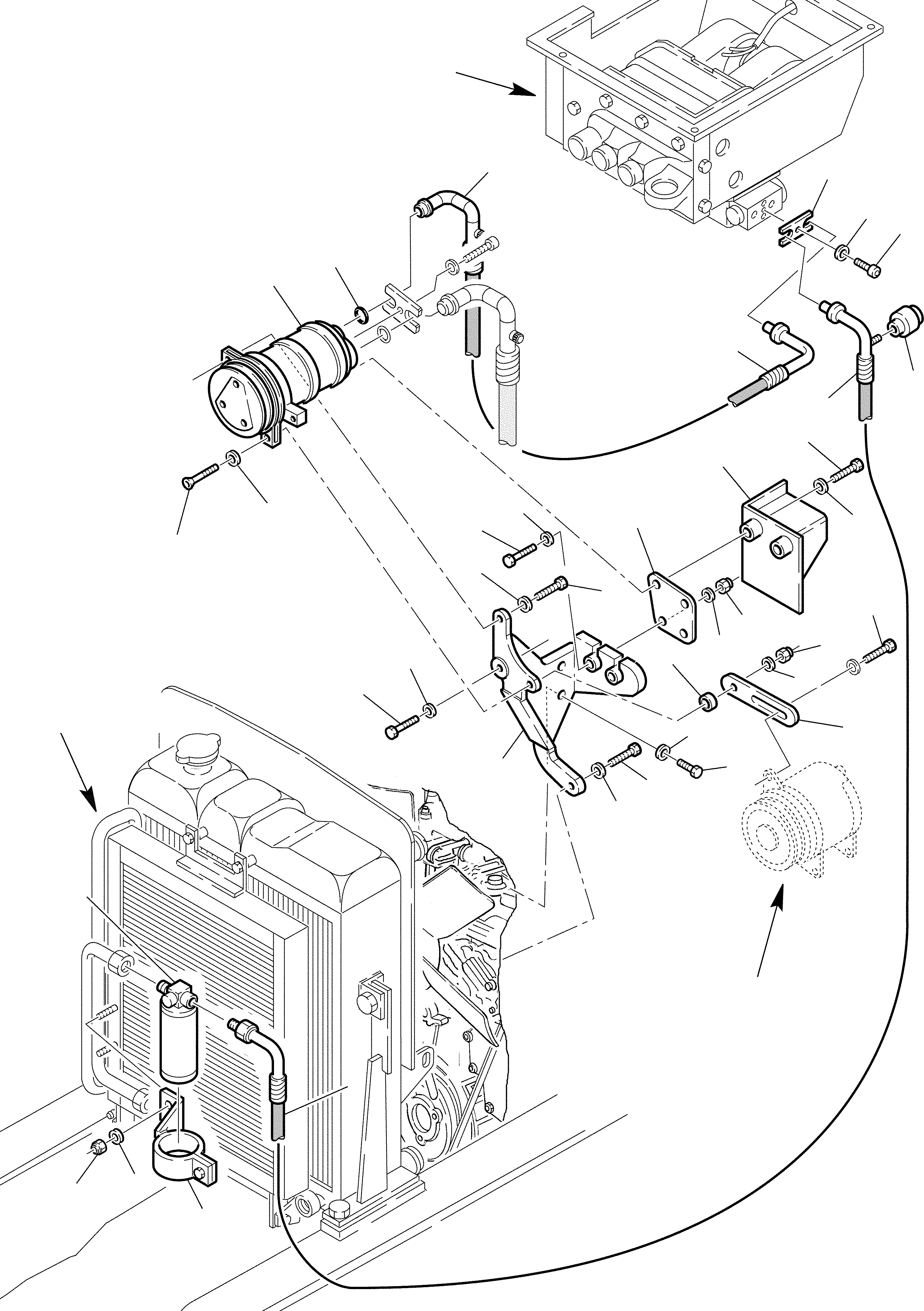
21
A
B
C
10
7
9
8
11
28
10
6
5
18
17
19
15
16
18
19
13
15
14
12
20
23
22
19
15
18
24
15
25
27
26
15
1
5
4
3
2
FIT
1:1
100%

Артикул

Название

Примечание

Количество

\0

888011103

MOTOR AIR BLENDING

1

312649115

FILTER

2

312649116

FILTER SUPPORT

3

801880206

NUT, STOP

4

802170000

WASHER

5

312649120

HOSE

6

312649117

PRESSURE SWITCH

7

312649059

FLANGE

8

801105523

SCREW

9

888011075

SPRING WASHER

10

312649119

HOSE

11

312649607

O-RING

12

801015087

BOLT

13

801200727

BOLT

14

801015113

BOLT

15

802170002

WASHER

16

312649066

SUPPORT

17

312649091

PROTECTION

18

801015090

BOLT

19

802170001

SPRING WASHER

20

801703008

NUT

21

802150508

SPRING WASHER

22

312649603

SPACER

23

801880001

NUT, STOP

24

312649067

BRACKET

25

801015112

BOLT

26

801015110

BOLT

27

312649109

SUPPORT

28

312649051

COMPRESSOR

Выбрано товаров: 29