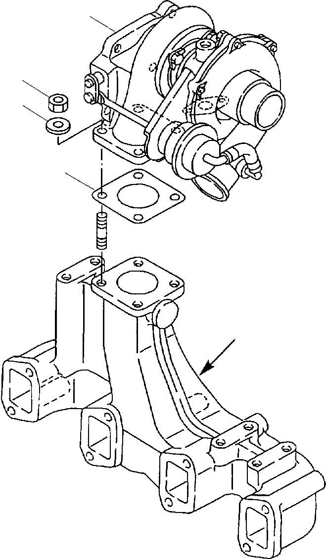
Запчасти Komatsu WB93R-2 ТУРБОНАГНЕТАТЕЛЬ ДВИГАТЕЛЬ

Схема запчастей Komatsu WB93R-2 - ТУРБОНАГНЕТАТЕЛЬ ДВИГАТЕЛЬ
1
2
3
4
A
FIT
1:1
100%

Артикул

Название

Примечание

Количество

\0

871070050

TURBO ENGINE

1

YM123901-18090

GASKET

2

YM22117-080000

WASHER

3

YM26703-080002

NUT

4

YM123910-18011

TURBINE

Выбрано товаров: 5