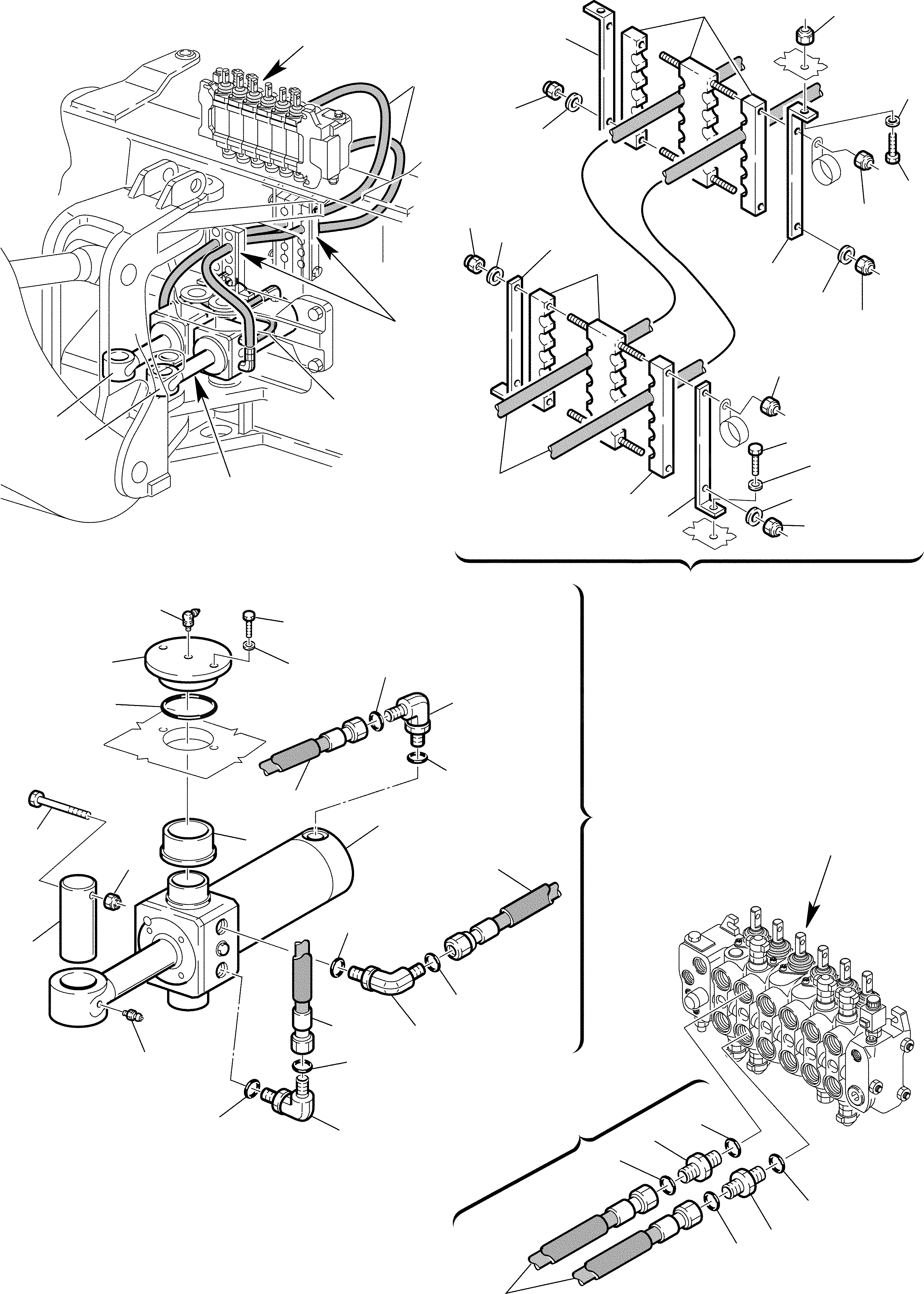
Запчасти Komatsu WB93R-2 ГИДРОЛИНИЯ (ЦИЛИНДР ПОВОРОТА СТРЕЛЫ ЛИНИЯ) ГИДРАВЛИКА РАБОЧЕЕ ОБОРУДОВАНИЕ

Схема запчастей Komatsu WB93R-2 - ГИДРОЛИНИЯ (ЦИЛИНДР ПОВОРОТА СТРЕЛЫ ЛИНИЯ) ГИДРАВЛИКА РАБОЧЕЕ ОБОРУДОВАНИЕ
24
20
25
21
27
21
1
23
27
26
22
27
26
24
21
26
27
27
20
8
22
9
23
1
26
24
27
21
19
17
15
7
18
5
16
6
8
14
9
12
13
20
6
11
7
1
5
7
10
3
6
2
5
4
3
2
4
1
A
A
B
B
C
C
A
FIT
1:1
100%

Артикул

Название

Примечание

Количество

1

392860043

HOSE

2

500380123

UNION

3

855051119

O-RING

4

855051012

O-RING

5

500380503

ELBOW

6

855051111

O-RING

7

855051012

O-RING

8

395005019

BOOM SWING CYLINDER ASSY, RIGHT

9

395005020

BOOM SWING CYLINDER ASSY, LEFT

10

860010007

FITTING

11

390597062

PIN

12

801015584

BOLT

13

801880212

WASHER

14

500213511

BUSHING

15

500014689

PLUG

16

855021836

O-RING

17

801015086

BOLT

18

802170001

WASHER

19

860030004

FITTING

20

392860003

HOSE

21

312707611

SUPPORT

22

801015110

BOLT

23

802170002

WASHER

24

312707108

CENTRAL BUCKLE

25

801880001

SELF-LOCKING NUT

26

802170001

WASHER

27

801880408

SELF-LOCKING NUT

Выбрано товаров: 27