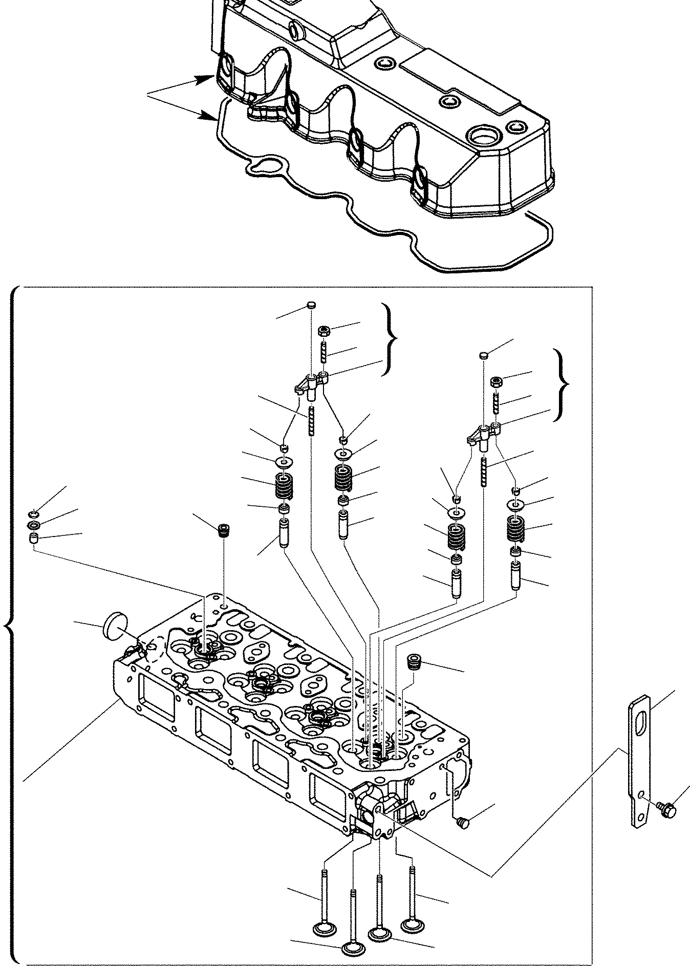
Запчасти Komatsu WB93R-2 ГОЛОВКА ЦИЛИНДРОВ (/) ДВИГАТЕЛЬ

Схема запчастей Komatsu WB93R-2 - ГОЛОВКА ЦИЛИНДРОВ (/) ДВИГАТЕЛЬ
15
A
19
3
3
18
20
19
18
20
7
21
21
15
7
15
14
21
21
14
24
17
15
17
23
9
5
14
14
22
16
5
16
6
6
11
4
10
1
2
8
13
12
12
13
FIT
1:1
100%

Артикул

Название

Примечание

Количество

\0

871070073

TURBO ENGINE

1

YM123907-07900

LIFTER PLATE

2

YM26106-100202

BOLT

3

YM123907-11550

VALVE

4

YM723907-11100

CYLINDER HEAD, ASSY

5

YM120325-11160

GUIDE ,VALVE

6

YM123907-11800

GUIDE ,VALVE

7

YM123907-11820

GUIDE ,VALVE

8

YM23876-005000

PLUG

9

YM23876-020000

PLUG

10

YM23876-030000

PLUG

11

YM27241-400000

PLUG

12

YM123907-11100

VALVE

13

YM123907-11110

VALVE

14

YM123907-11120

SPRING

15

YM123907-11180

RETAINER

16

YM124160-11340

SEAL

17

YM124950-11340

SEAL

18

YM123907-11510

BRIDGE

19

YM129150-11750

NUT

20

YM123907-11830

SCREW

21

YM27310-070001

COTTER

22

YM119802-11870

PROTECTOR,NOZZLE

23

YM119625-11880

SEAT, NOZZLE

24

YM24311-000120

O-RING

Выбрано товаров: 25