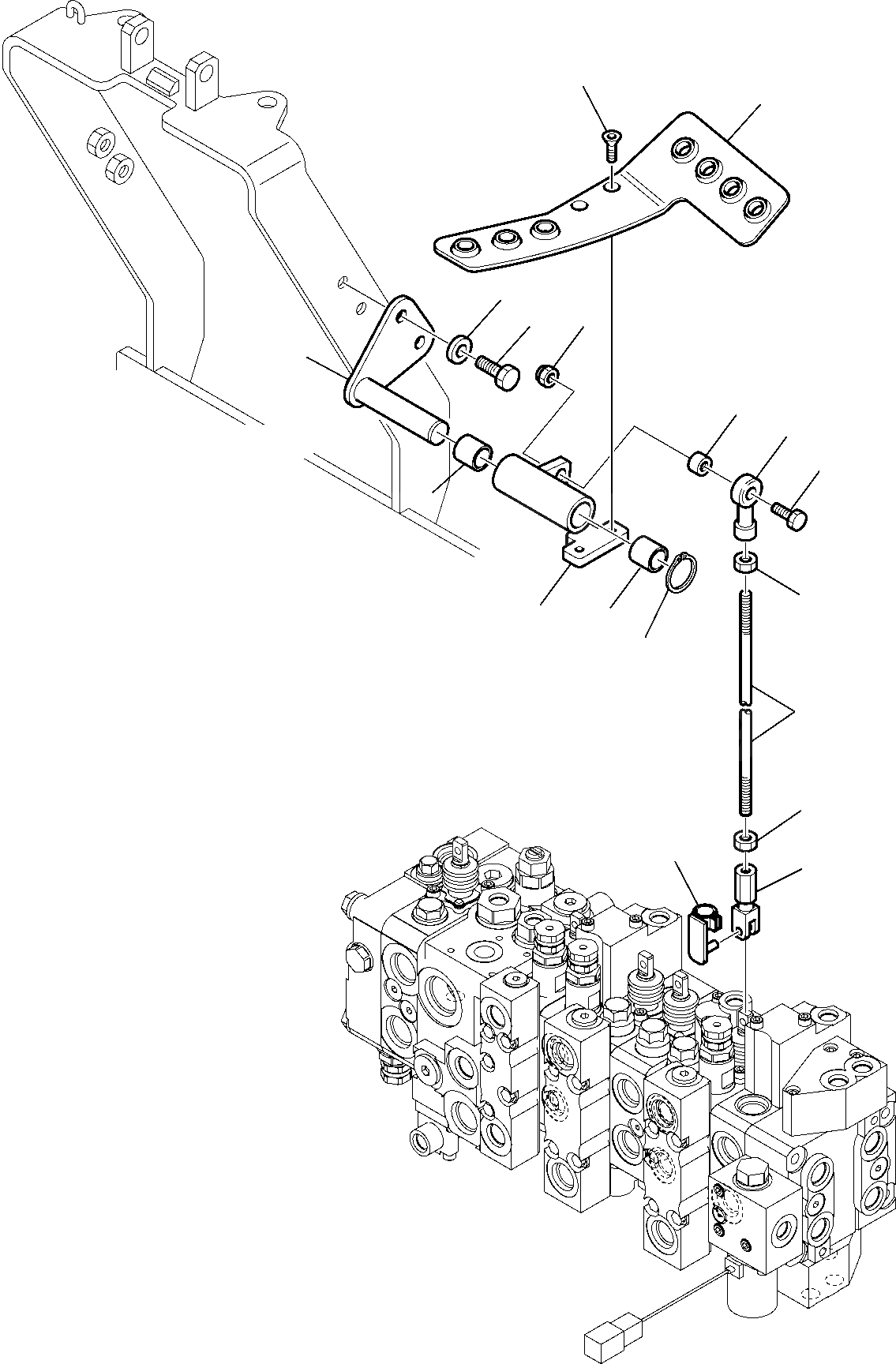
Запчасти Komatsu WB93R-5 ТЕЛЕСКОПИЧЕСК. РУКОЯТЬ ПЕДАЛЬ УПРАВЛ-Я СИСТЕМА УПРАВЛЕНИЯ

Схема запчастей Komatsu WB93R-5 - ТЕЛЕСКОПИЧЕСК. РУКОЯТЬ ПЕДАЛЬ УПРАВЛ-Я СИСТЕМА УПРАВЛЕНИЯ
2
1
8
12
7
6
11
9
10
4
13
3
4
5
14
15
17
16
FIT
1:1
100%

Артикул

Название

Примечание

Количество

1

42N-43-14620

PEDAL

2

01240-00612

SCREW

3

42N-43-11561

SUPPORT

4

09350-02020

BUSHING

5

04064-02012

RING

6

42N-43-11540

SUPPORT

7

01010-81025

BOLT

8

01643-11032

WASHER

9

04250-80847

JOINT

10

01010-80840

BOLT

11

42N-43-11180

THRUST WASHER

12

21D-09-24180

NUT, STOP

13

01580-10806

NUT

14

42N-43-11580

TIE-ROD

15

42N-43-11760

NUT

16

42N-43-11520

FORK

17

21D-09-86690

LEVER

Выбрано товаров: 0