Запчасти Komatsu WB93R-5E0 8-СЕКЦИОНН. УПРАВЛЯЮЩ. КЛАПАН (МЕХАНИЧ. УПРАВЛ-Е) (СОЕДИНИТЕЛЬН. ЧАСТИ) (/) РАБОЧЕЕ ОБОРУДОВАНИЕ ГИДРАВЛИКА

Схема запчастей Komatsu WB93R-5E0 - 8-СЕКЦИОНН. УПРАВЛЯЮЩ. КЛАПАН (МЕХАНИЧ. УПРАВЛ-Е) (СОЕДИНИТЕЛЬН. ЧАСТИ) (/) РАБОЧЕЕ ОБОРУДОВАНИЕ ГИДРАВЛИКА
5
1
6
2
3
4
5
6
A
13
12
A
8
10
8
7
7
9
11
16
20
17
14
21
18
15
19
A
B
B
B
FIT
1:1
100%

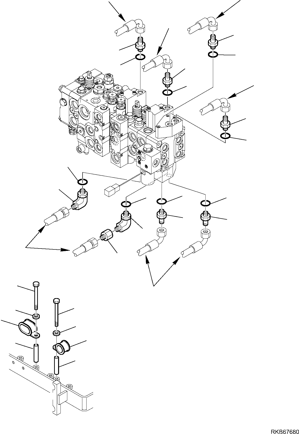
Артикул

Название

Примечание

Количество

1

37D-09-2U154

UNION

2

37B-09-88006

O-RING

3

37D-09-2U154

UNION

4

37B-09-88006

O-RING

5

37D-09-2U154

UNION

6

37B-09-88006

O-RING

7

37D-09-2U154

UNION

8

37B-09-88006

O-RING

9

42N-62-14510

ELBOW

10

07002-11423

O-RING

11

42N-62-15960

VALVE

12

22E-09-11310

ELBOW

13

37B-09-88006

O-RING

14

37A-09-5N505

CLAMP

15

42N-63-11590

SPACER

16

01010-81090

BOLT

17

01643-11032

WASHER

18

37A-09-5N028

CLIP

19

42N-63-11590

SPACER

20

01010-81090

BOLT

21

01643-11032

WASHER

Выбрано товаров: 21