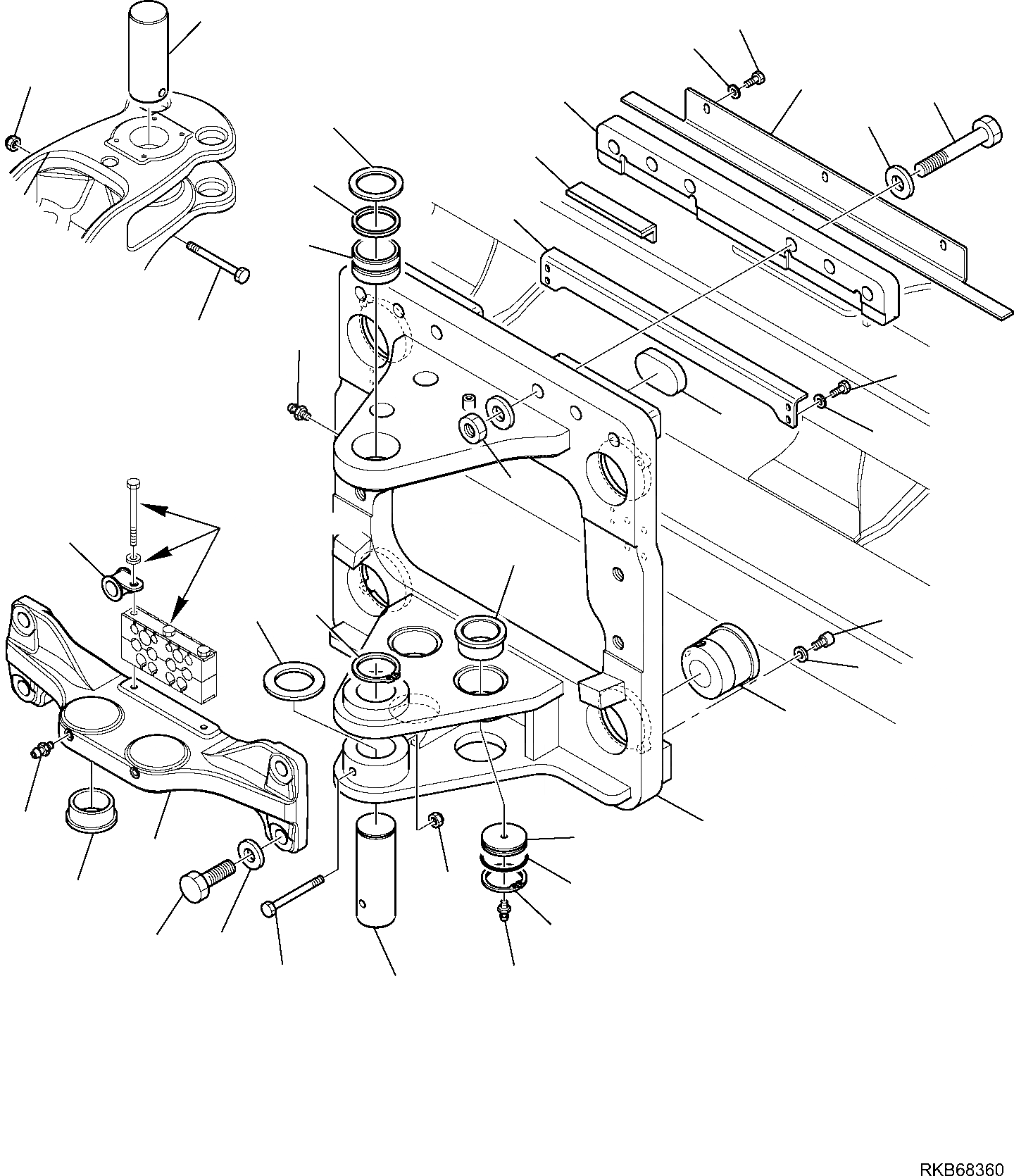
Запчасти Komatsu WB93R-5E0 ГИДРАВЛ СДВИЖНАЯ ПАНЕЛЬ (/) РАБОЧЕЕ ОБОРУДОВАНИЕ

Схема запчастей Komatsu WB93R-5E0 - ГИДРАВЛ СДВИЖНАЯ ПАНЕЛЬ (/) РАБОЧЕЕ ОБОРУДОВАНИЕ
31
2
3
33
1
5
4
6
30
8
29
9
28
32
27
10
12
11
7
38
17
25
26
15
16
14
13
37
18
34
24
19
17
20
36
35
23
21
22
A
FIT
1:1
100%

Артикул

Название

Примечание

Количество

1

42N-856-3780

BENT

2

01010-81020

BOLT

3

01643-11032

WASHER

4

42N-856-3720

PLATE

5

01011-82450

BOLT

6

37A-09-3Z024

WASHER

7

01580-12419

NUT

8

42N-856-3730

GUIDE

9

42N-856-3760

BENT

9

42N-856-3761

BENT

10

01010-80820

BOLT

11

01643-10823

WASHER

12

42N-856-3740

SHOE

13

42N-856-3710

SLIDING PLATE

14

42N-856-2380

LINER

15

01252-71018

BOLT, HEXAGON SOCKET HEAD

16

01643-11032

WASHER

17

42N-856-2331

BUSHING

18

42N-856-2350

COVER

19

37B-09-11842

O-RING

20

04065-07525

SNAP, RING

21

21D-09-89140

FITTING, GREASE

22

42N-856-1740

PIN

23

01011-81220

BOLT

24

21D-09-24200

NUT

25

42N-70-12331

SNAP, RING

26

37B-09-4F064

SHIM

27

21D-09-89140

FITTING, GREASE

28

42N-856-2470

BUSHING

29

42N-6C-11990

DUST SEAL

30

42N-856-2251

RING

31

42N-856-1780

PIN

32

01011-81230

BOLT

33

21D-09-24200

NUT

34

42N-856-2360

SUPPORT

35

01010-82475

BOLT

36

37A-09-3Z024

WASHER

37

21D-09-89140

FITTING, GREASE

38

04434-51710

CLIP

Выбрано товаров: 39