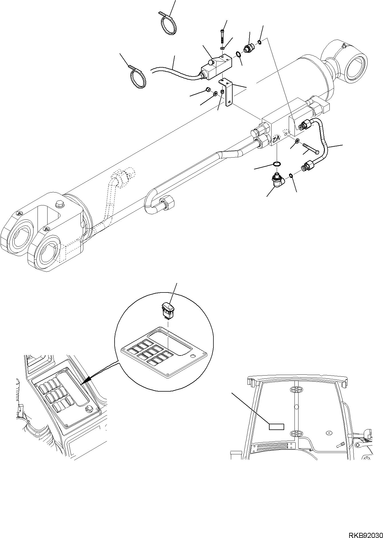
Запчасти Komatsu WB93R-5E0 ГИДРОЛИНИЯ (ГИДРОЛИНИЯ СТРЕЛЫ) (СИГНАЛИЗ. ПЕРЕГРУЗКИ) РАБОЧЕЕ ОБОРУДОВАНИЕ ГИДРАВЛИКА

Схема запчастей Komatsu WB93R-5E0 - ГИДРОЛИНИЯ (ГИДРОЛИНИЯ СТРЕЛЫ) (СИГНАЛИЗ. ПЕРЕГРУЗКИ) РАБОЧЕЕ ОБОРУДОВАНИЕ ГИДРАВЛИКА
19
2
11
9
3
1
18
16
10
5
8
7
4
15
7
6
13
14
12
17
20
FIT
1:1
100%

Артикул

Название

Примечание

Количество

1

20S-60-13120

VALVE

2

01252-70540

BOLT, HEXAGON SOCKET HEAD

3

01640-20508

WASHER

4

21D-09-23140

NUT

5

42N-63-12390

PLATE

6

01010-80655

BOLT

7

01643-10623

WASHER

8

01598-00608

NUT

9

37D-09-66103

UNION

10

21D-09-69960

O-RING

11

02896-11009

O-RING

12

37D-09-6Z503

ELBOW

13

21D-09-69960

O-RING

14

02896-11009

O-RING

15

42N-63-12380

PIPE

16

42N-06-16350

WIRING HARNESS

17

42N-06-13340

SWITCH, OVERLOAD ALARM

17

42N-06-13341

SWITCH, OVERLOAD ALARM

17

22L-09-R3Q20

BULB 30MA 24V

17

22L-09-R3Q10

BULB 30MA 12V

17

22L-09-R3Q40

BULB 1,2W 24V

18

21D-06-13220

BAND

19

08034-20519

CLAMP

20

42N-93-14430

PLATE, RAISING CAPACITY

Выбрано товаров: 0