Качественные детали и логистика
Оригинальные и аналоговые запчасти с доставкой по России, Казахстану и Беларуси
©2022 PartSell ООО "Система" ИНН 2463123282 ОГРН 1212400004838
Центральный офис: г. Красноярск, Академика Киренского, д.87, пом.4
Телефон: 8 (800) 777-65-74 Email: zakaz@partsell.ru
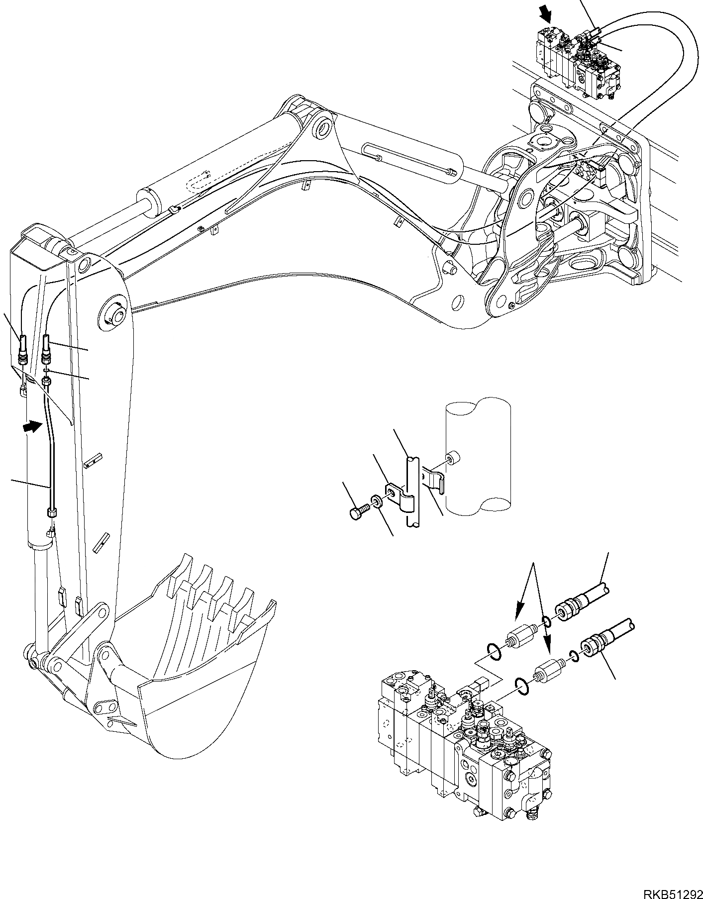
ГИДРОЛИНИЯ (ЛИНИЯ КОВША)
№
Артикул
Название
Примечание
Количество
1
42N-62-14350
HOSE
2
42N-62-14831
PIPE
3
02896-11018
O-RING
4
42N-62-14930
CLAMP
5
01010-81025
BOLT
6
01643-11032
WASHER
7
42N-62-14460
Выбрано товаров: 0