Качественные детали и логистика
Оригинальные и аналоговые запчасти с доставкой по России, Казахстану и Беларуси
©2022 PartSell ООО "Система" ИНН 2463123282 ОГРН 1212400004838
Центральный офис: г. Красноярск, Академика Киренского, д.87, пом.4
Телефон: 8 (800) 777-65-74 Email: zakaz@partsell.ru
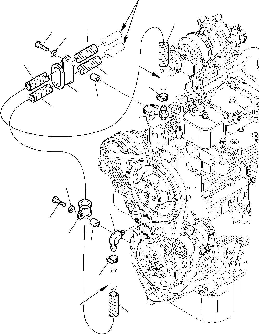
СИСТЕМА ПОДОГРЕВА (/)
№
Артикул
Название
Примечание
Количество
1
42N-62-12680
ELBOW
2
07281-00197
CLAMP
3
42N-54-19250
PROTECTION
4
04434-52512
5
01010-80840
BOLT
6
01643-10823
WASHER
7
42N-54-19260
SPACER
8
198-61-14180
9
01010-81240
10
01643-11232
11
42N-54-19270
12
37D-09-96024
UNION
13
42N-54-19240
|A
SEE FIG. 5800
Выбрано товаров: 0