Запчасти Komatsu WB93S-5E0 ГИДРОЛИНИЯ (СДВИЖНАЯ ПАНЕЛЬ БЛОКИР.ING ЛИНИЯ) РАБОЧЕЕ ОБОРУДОВАНИЕ ГИДРАВЛИКА

Схема запчастей Komatsu WB93S-5E0 - ГИДРОЛИНИЯ (СДВИЖНАЯ ПАНЕЛЬ БЛОКИР.ING ЛИНИЯ) РАБОЧЕЕ ОБОРУДОВАНИЕ ГИДРАВЛИКА
1
A
6
5
7
8
6
5
10
7
9
2
4
3
3
6
4
1
5
7
7
5
6
7
5
6
8
7
5
6
FIT
1:1
100%

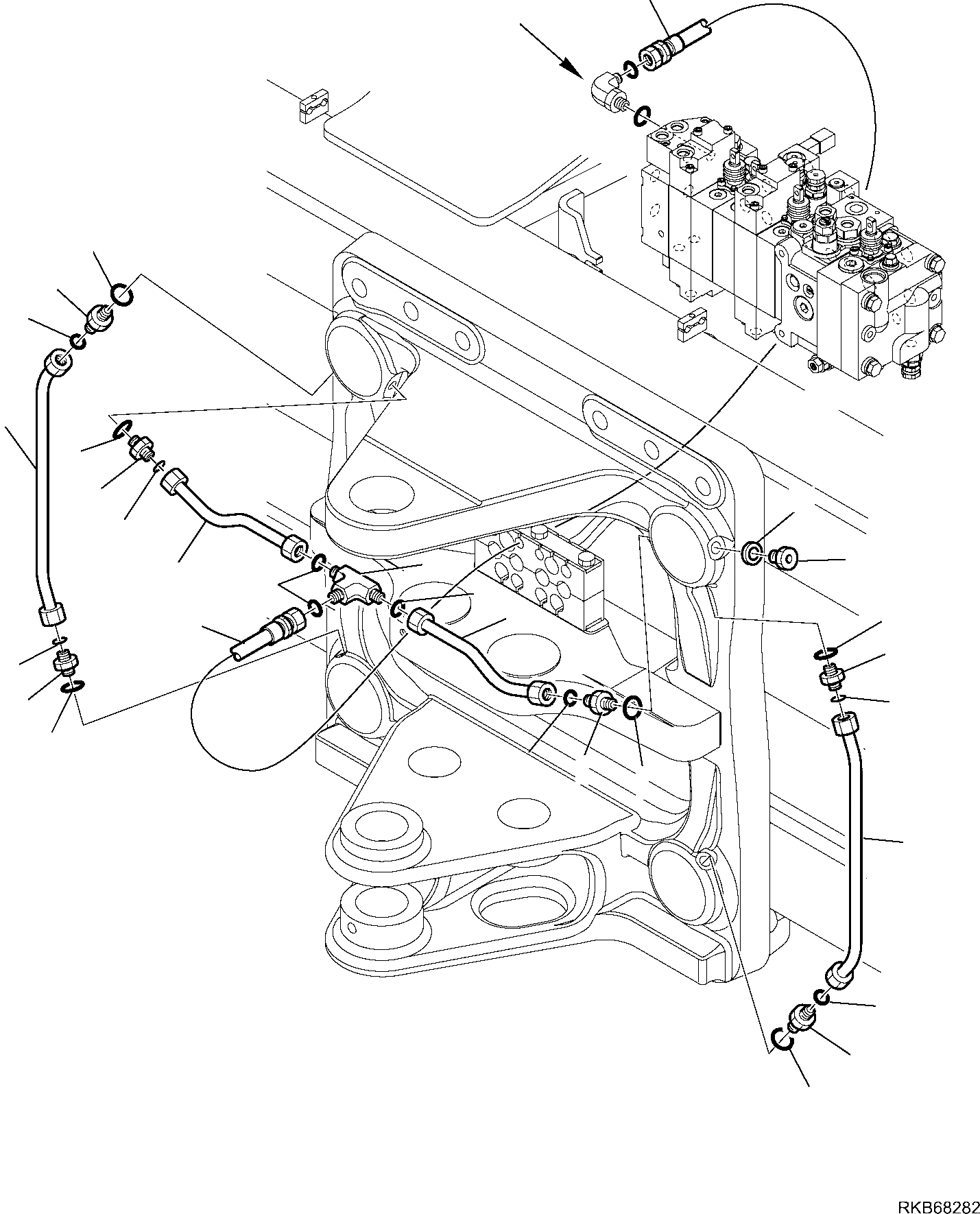
Артикул

Название

Примечание

Количество

1

42N-62-13480

HOSE

2

42N-833-1420

TEE

3

02896-11009

O-RING

4

42N-62-13462

PIPE

5

37D-09-66103

UNION

6

21D-09-69960

O-RING

7

02896-11009

O-RING

8

42N-62-13471

PIPE

9

21D-09-55130

PLUG

10

21D-09-86280

WASHER

Выбрано товаров: 0