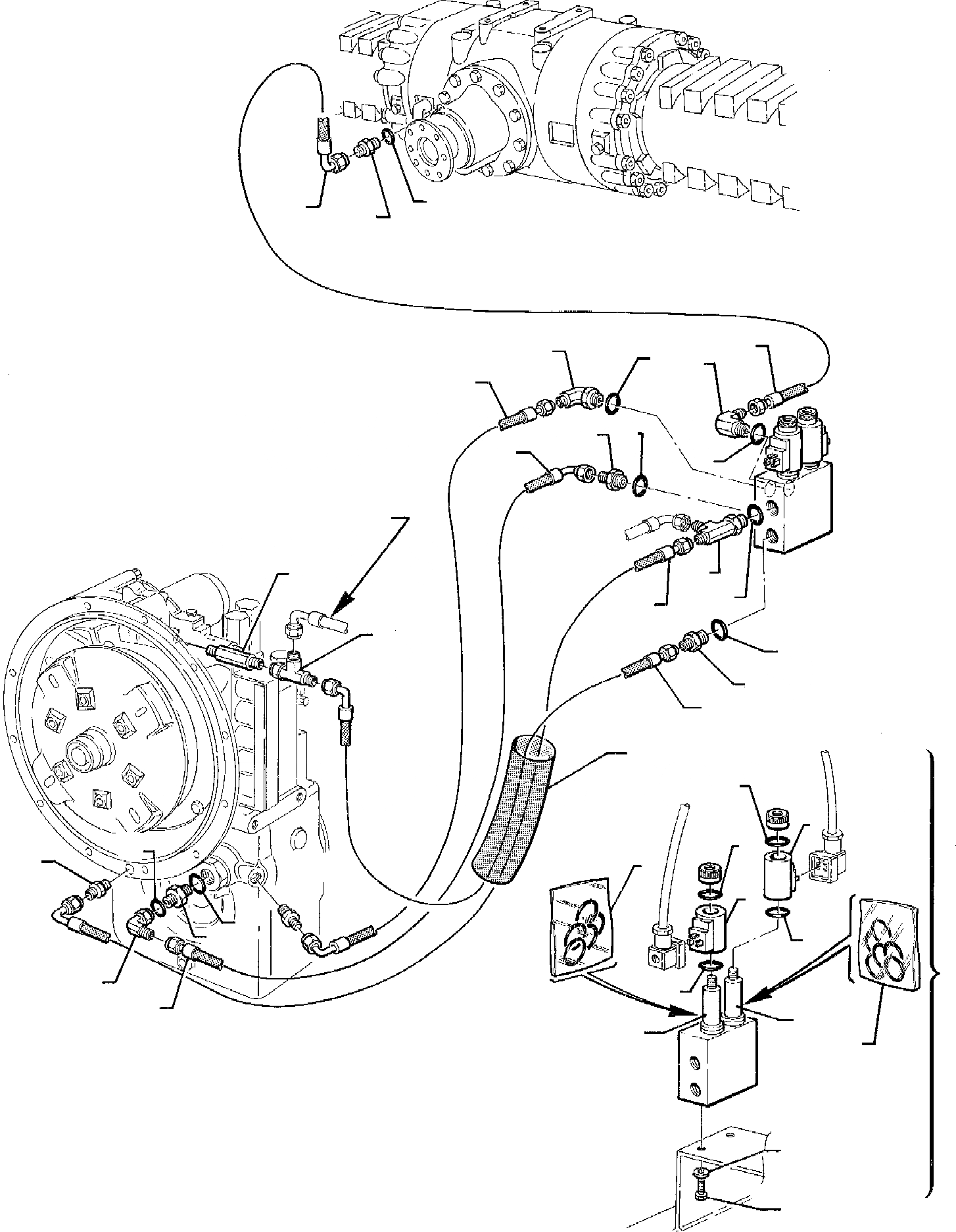
Запчасти Komatsu WB95R-1 WB97R-1 ГИДРОЛИНИЯ (WD И УПРАВЛ-Е БЛОКИР. ЗАДН. МОСТА) СИСТЕМА УПРАВЛЕНИЯ

Схема запчастей Komatsu WB95R-1 WB97R-1 - ГИДРОЛИНИЯ (WD И УПРАВЛ-Е БЛОКИР. ЗАДН. МОСТА) СИСТЕМА УПРАВЛЕНИЯ
17
A
11
12
10
12
13
14
13
16
16
18
14
19
30
20
21
31
17
16
22
23
7
6
7
26
29
5
24
15
6
28
7
27
1
25
7
18
2
4
3
33
32
8
15
9
FIT
1:1
100%

Артикул

Название

Примечание

Количество

1

845080004

SOLENOID VALVE, ASSY.

2

845081006

VALVE

3

845081004

KIT, GASKET

4

845081007

VALVE

5

845081002

KIT, GASKET

6

845081001

COIL

7

845081005

O-RING

8

802150508

SPRING WASHER

9

801014066

BOLT

10

500358755

UNION

11

855051111

O-RING

12

392368035

HOSE

13

500352110

ELBOW

14

855051113

O-RING

15

392368037

HOSE

16

500351745

UNION

17

855051113

O-RING

18

392368036

HOSE

19

500355323

UNION

20

855051113

O-RING

21

852780005

HOSE

22

392368038

HOSE

23

312210621

HOSE

24

500352206

UNION

25

500352110

ELBOW

26

855051113

O-RING

27

312250600

UNION

28

855021813

O-RING

29

500352208

UNION

30

390020011

UNION

31

500355912

UNION

32

312207740

UNION

33

855670015

O-RING

Выбрано товаров: 33