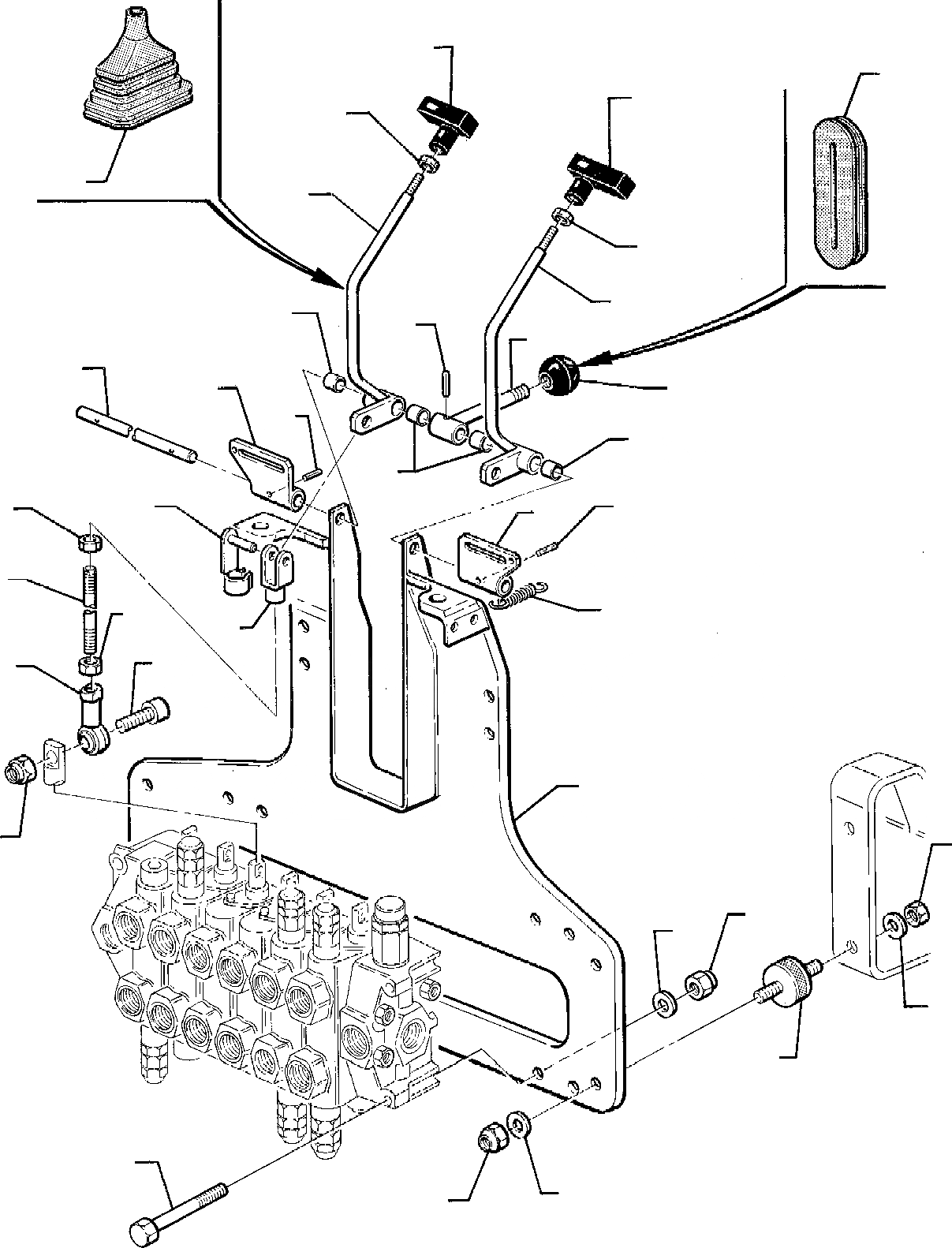
Запчасти Komatsu WB95R-1 WB97R-1 ОПОРА РЫЧАГ УПРАВЛ-Я ЧАСТИ КОРПУСА И КАБИНА

Схема запчастей Komatsu WB95R-1 WB97R-1 - ОПОРА РЫЧАГ УПРАВЛ-Я ЧАСТИ КОРПУСА И КАБИНА
20
25
20
19
24
18
19
21
15
14
16
12
13
17
14
15
15
14
10
7
22
8
23
7
9
4
5
11
6
1
27
2
2
3
26
2
1
FIT
1:1
100%

Артикул

Название

Примечание

Количество

1

801852410

NUT

2

802070010

WASHER

3

808001062

SUPPORT

4

801104126

SCREW

5

805810013

ARTICULATION

6

801852410

NUT

7

801703409

NUT

8

500022542

TIE-ROD

9

802720020

FORK

10

802725020

PIN

11

312301062

SUPPORT

11

312301066

SUPPORT

12

312313620

PIN

13

312313057

CLAMPING PLATE, R.H.

14

802510167

PEG

15

805630015

BUSHING

16

312313053

LEVER

17

816213544

KNOB

18

312313054

LINK, R.H.

19

801703408

NUT

20

816212265

KNOB

21

312313055

LEVER, L.H.

22

312313058

CLAMPING PLATE, L.H.

23

804020008

SPRING

24

311305748

BELOWS

25

816210419

RUBBER

26

801014112

BOLT

27

801852210

NUT

Выбрано товаров: 28