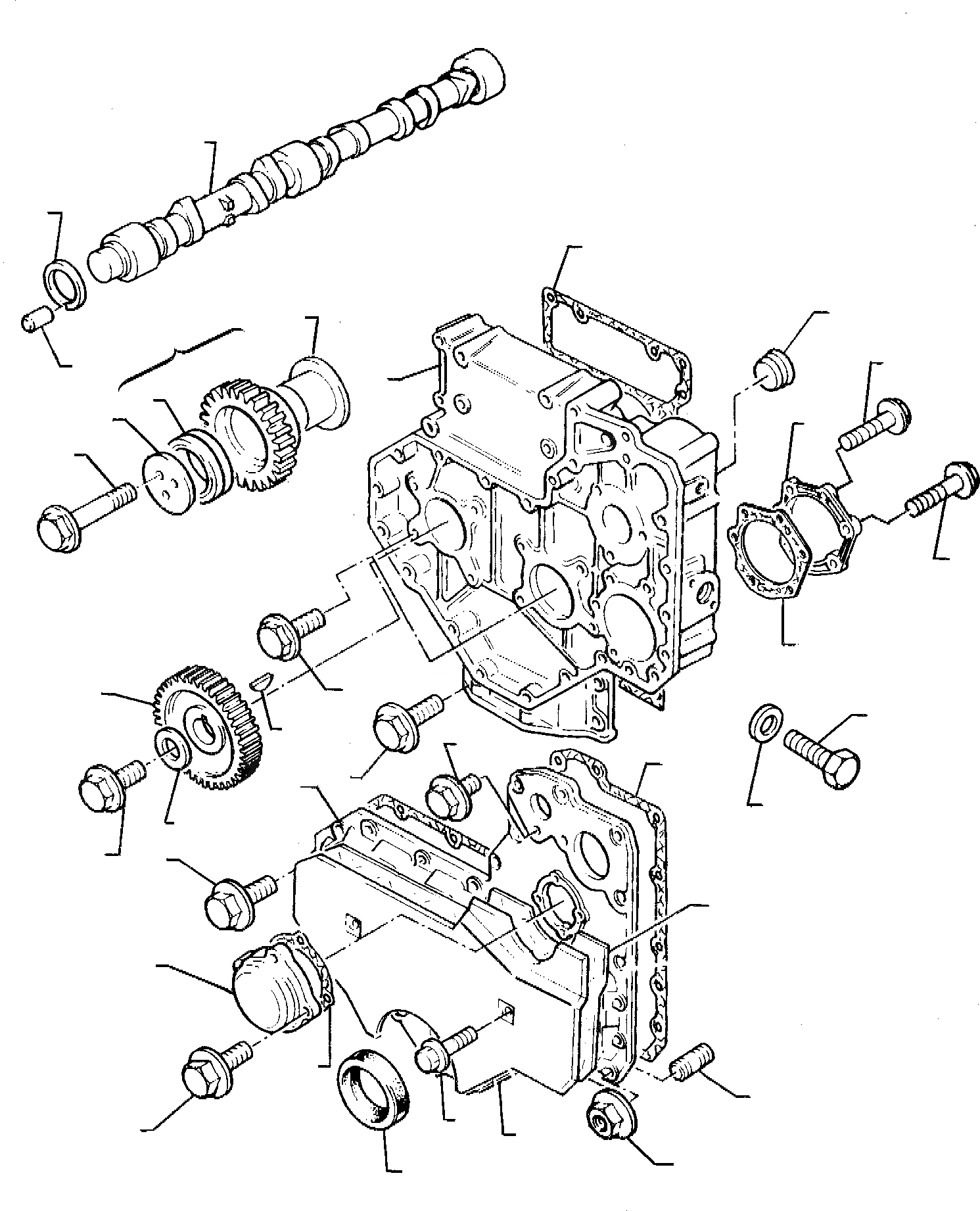
Запчасти Komatsu WB95R-1 WB97R-1 TIMING ПРИВОД И РАСПРЕДВАЛ (ASPIRATED ДВИГАТЕЛЬ) ГОЛОВКА ЦИЛИНДРОВ

Схема запчастей Komatsu WB95R-1 WB97R-1 - TIMING ПРИВОД И РАСПРЕДВАЛ (ASPIRATED ДВИГАТЕЛЬ) ГОЛОВКА ЦИЛИНДРОВ
5
12
6
1
2
38
13
33
7
15
16
32
17
34
22
3
8
36
9
21
20
4
18
35
11
10
23
30
26
27
24
31
28
29
25
19
FIT
1:1
100%

Артикул

Название

Примечание

Количество

1

P3716C046

HOUSING ASSY., GEAR

2

P3681P002

GASKET

3

P2314H003

BOLT

4

P2314H034

SCREW

5

P31415361

CAMSHAFT

6

P33153121

WASHER

7

PK2116053

PIN

8

P3117L011

GEAR

9

PK0500012

KEY

10

P2314J603

SCREW

11

P3321A003

WASHER

12

P33426161

HUB

13

P41115023

IDLE GEAR, ASSY.

15

PK0050345

BUSHING

16

PK0941082

PLATE

17

P2314J010

SCREW

18

P4142A143

COVER

19

P2418F436

SEAL, OIL

20

P3681P019

GASKET

21

P2314H013

SCREW

22

P3687H003

GASKET

23

P2314H004

BOLT

24

P2313M058

STUD

25

P2318A603

NUT

26

P3753R111

INSPECTION COVER

27

P3682H002

GASKET

28

P2314F036

SCREW

29

P3781N006

PROTECTION

30

P3781N005

DAMPER

31

P2314F003

SCREW

32

P3753R121

PLATE

33

P2314H034

SCREW

34

P2314J004

SCREW

35

PK0920155

WASHER

36

P2314C048

PLUG

38

PK2431154

PLUG

Выбрано товаров: 36