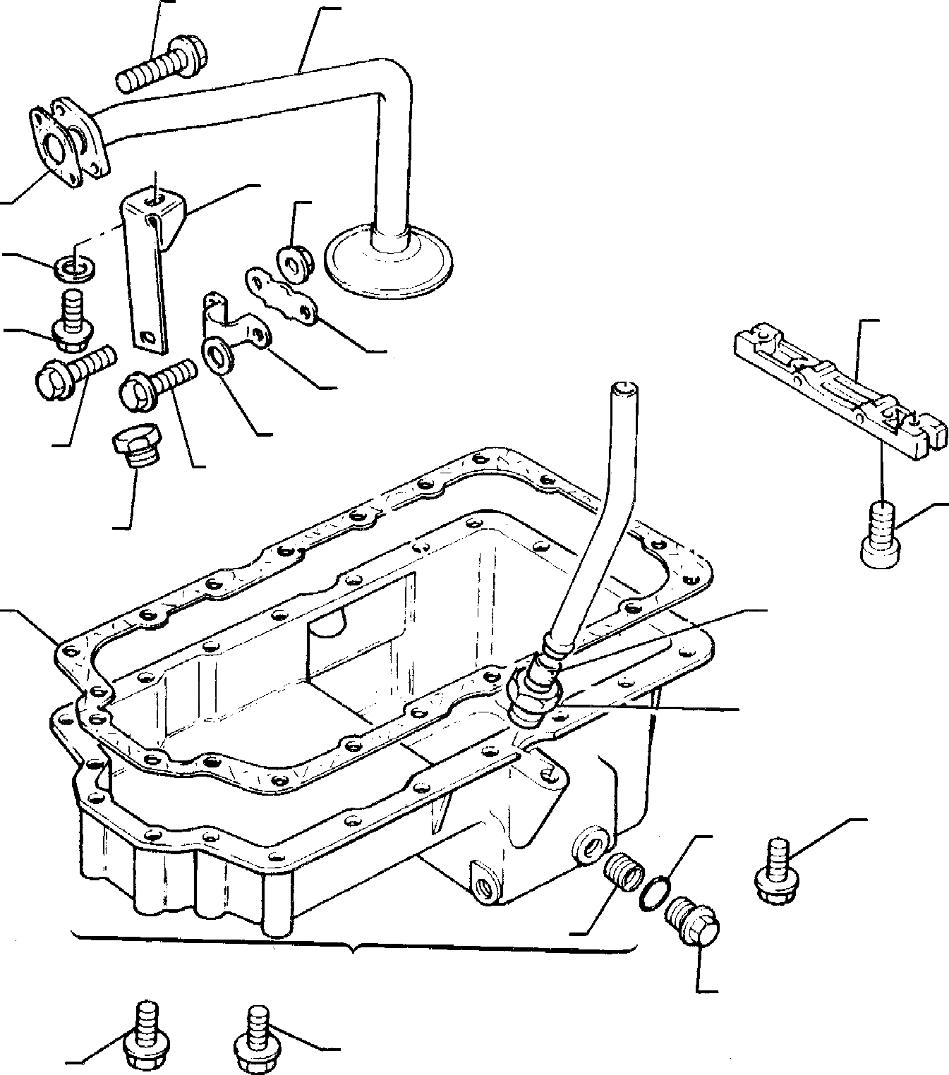
Запчасти Komatsu WB95R-1 WB97R-1 СИСТЕМА СМАЗКИ МАСЛ. НАСОС (ASPIRATED ДВИГАТЕЛЬ) ГОЛОВКА ЦИЛИНДРОВ

Схема запчастей Komatsu WB95R-1 WB97R-1 - СИСТЕМА СМАЗКИ МАСЛ. НАСОС (ASPIRATED ДВИГАТЕЛЬ) ГОЛОВКА ЦИЛИНДРОВ
59
18
16
59
25
35
42
17
37
8
36
39
38
43
25
41
40
10
44
7
31
26
51
5
3
1
4
15
14
FIT
1:1
100%

Артикул

Название

Примечание

Количество

1

P4145H036

OIL PAN

3

PK2137435

INSERT

4

P32186405

PLUG

5

PK2415715

O-RING

7

P36815705

GASKET

8

P3627P021

BRIDGE PIECE

10

P2311D039

SCREW

14

P2314K166

SCREW

15

P2314H003

BOLT

16

P3575A046

PIPE, OIL

17

P36832118

GASKET

18

P2314H007

SCREW

25

P3577A121

PIPE

25

P3577A128

PIPE

26

P3353D005

NUT

31

P33812116

COTTER

35

P3821D012

BRACKET

36

P2314H002

SCREW

37

PK0920484

WASHER

38

P3661C002

HOSE-CLAMP

39

P3661V002

PLATE

40

P2314F004

SCREW

41

P2314F002

SCREW

42

P2318A602

NUT

43

P2131A006

WASHER

44

P3218K301

PLUG

44

P2431A016

PLUG

51

P2314H033

SCREW

59

P3178C632

DIPSTICK

59

P3178C078

DIPSTICK

Выбрано товаров: 30