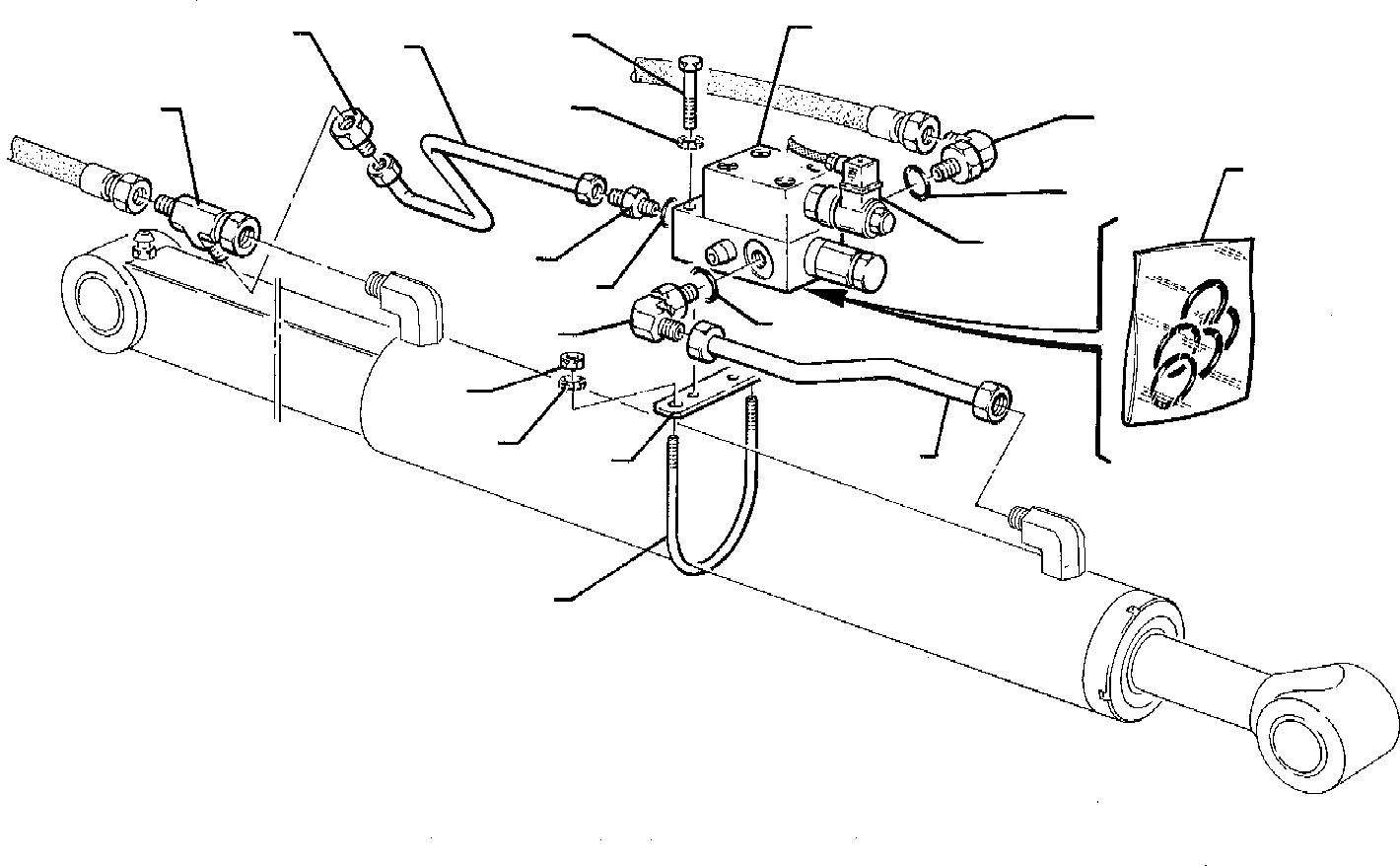
Запчасти Komatsu WB95R-1 WB97R-1 HYDRALIC ТРУБЫ (ЦИЛИНДР ОПРОКИД-Я КОВША) (КЛАПАН БЕЗОПАСНОСТИ) РАБОЧЕЕ ОБОРУДОВАНИЕ

Схема запчастей Komatsu WB95R-1 WB97R-1 - HYDRALIC ТРУБЫ (ЦИЛИНДР ОПРОКИД-Я КОВША) (КЛАПАН БЕЗОПАСНОСТИ) РАБОЧЕЕ ОБОРУДОВАНИЕ
9
15
12
2
6
16
3
10
4
11
13
14
4
3
5
6
1
8
7
FIT
1:1
100%

Артикул

Название

Примечание

Количество

1

200767701

PIPE

2

312237603

PIPE

3

500352101

ELBOW

4

855051617

O-RING

5

801703208

NUT

6

802120008

SPRING WASHER

7

312237600

U-BOLT

8

312237601

PLATE

9

845250013

VALVE, ASSY.

10

845250505

KIT, GASKET

11

845750001

SOLENOID

12

801014073

BOLT

13

500351744

UNION

14

855051111

O-RING

15

500359309

UNION

16

500355905

UNION

Выбрано товаров: 16