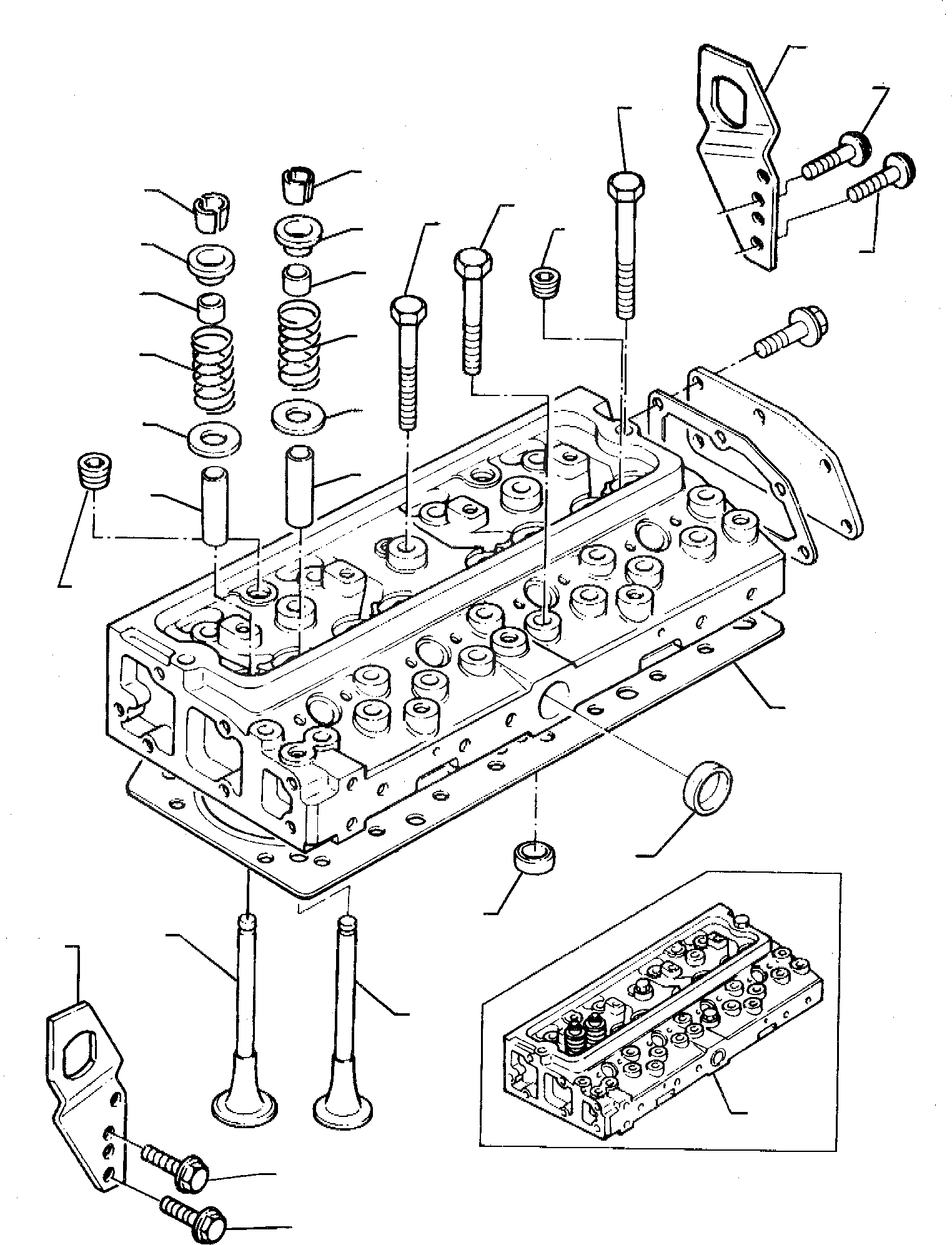
Запчасти Komatsu WB95R-1 WB97R-1 ГОЛОВКА ЦИЛИНДРОВ (ASPIRATED ДВИГАТЕЛЬ) ГОЛОВКА ЦИЛИНДРОВ

Схема запчастей Komatsu WB95R-1 WB97R-1 - ГОЛОВКА ЦИЛИНДРОВ (ASPIRATED ДВИГАТЕЛЬ) ГОЛОВКА ЦИЛИНДРОВ
19
24
25
20
12
5
21
22
17
15
26
11
2
16
14
10
9
6
8
18
23
3
4
7
27
13
1
26
28
FIT
1:1
100%

Артикул

Название

Примечание

Количество

1

PKZZ80084

KIT, CYLINDER HEAD

2

P33817117

SEAL, OIL

3

PK0650710

PLUG

4

P32417121

PLUG

5

P33173108

PIN, PISTON

6

P3343J002

GUIDE

7

P3142L051

VALVE, INLET

8

P3343F002

GUIDE

9

P33415118

WASHER

10

P33415118

WASHER

11

P33817117

SEAL, OIL

12

P33173108

PIN, PISTON

13

P3142A051

VALVE EXHAUST

14

P3174P405

SPRING

15

P3342T007

CAP

16

P3174P405

SPRING

17

P3342T007

CAP

18

PK2431154

PLUG

19

P2431A054

PLUG

20

P32166222

BOLT

21

P32166219

BOLT

22

P32166221

BOLT

23

P3681E017

GASKET

24

P3654W003

PLATE

25

P2314J002

SCREW

26

P2314J003

SCREW

27

P3621X007

PLATE

28

P2314J004

SCREW

Выбрано товаров: 28