Запчасти Komatsu WB95R-1 WB97R-1 КОЛЕНВАЛ, ПОРШЕНЬ И ШАТУН (ASPIRATED ДВИГАТЕЛЬ) ГОЛОВКА ЦИЛИНДРОВ

Схема запчастей Komatsu WB95R-1 WB97R-1 - КОЛЕНВАЛ, ПОРШЕНЬ И ШАТУН (ASPIRATED ДВИГАТЕЛЬ) ГОЛОВКА ЦИЛИНДРОВ
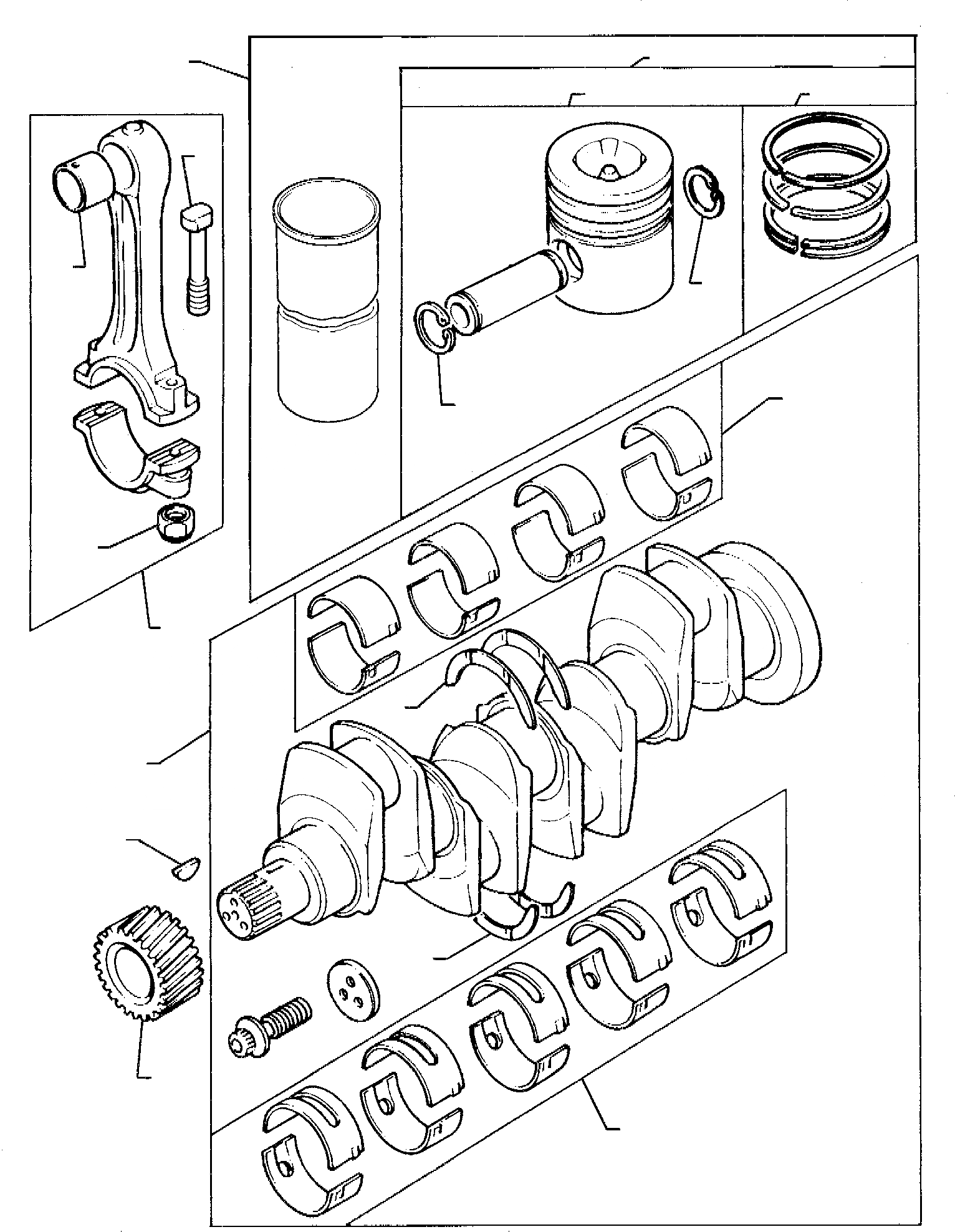
11
13
10
4
12
14
8
7
3
13
9
6
1
16
5
15
2
FIT
1:1
100%

Артикул

Название

Примечание

Количество

1

PKZZ90081

CRANKSHAFT, ASSY.

2

PK0081558

KIT, BEARING

2

PK081558A

KIT, BEARING (--0.25 mm)

2

PK081558B

KIT, BEARING (--0.50 mm)

2

PK081558C

KIT, BEARING (--0.75 mm)

3

PK0085042

KIT, BEARING

3

PK085042A

KIT, BEARING (--0.25 mm)

3

PK085042B

KIT, BEARING (--0.50 mm)

3

PK085042C

KIT, BEARING (--0.75 mm)

4

P31137551

THRUST WASHER

4

P31137312

THRUST WASHER (+0.19 mm)

5

P31137561

THRUST WASHER

5

P31137322

THRUST WASHER (+0.19 mm)

6

PKZZ90009

CONNECTING ROD, ASSY.

7

P31134123

BUSHING

8

P32762144

BOLT

9

P33221328

NUT

10

PU5MK0142

KIT, CYLINDER (SLIP FIT)

11

PU5PR0016

KIT, PISTON

12

PU5LL0015

KIT, PISTON

13

PK0170002

CIRCLIP

14

P4181A019

RING KIT

15

P3117C061

GEAR, CRANKSHAFT

16

PK0500012

KEY

Выбрано товаров: 24