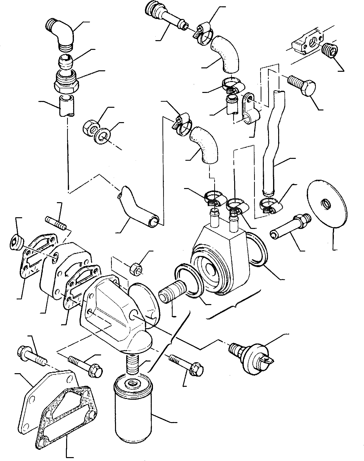
Запчасти Komatsu WB95R-1 WB97R-1 МАСЛ. ФИЛЬТР (ASPIRATED ДВИГАТЕЛЬ) ГОЛОВКА ЦИЛИНДРОВ

Схема запчастей Komatsu WB95R-1 WB97R-1 - МАСЛ. ФИЛЬТР (ASPIRATED ДВИГАТЕЛЬ) ГОЛОВКА ЦИЛИНДРОВ
36
57
24
17
38
23
35
22
48
37
26
20
29
39
30
28
31
30
25
33
27
9
13
34
20
19
10
18
12
16
11
15
3
6
14
1
8
4
55
7
5
56
FIT
1:1
100%

Артикул

Название

Примечание

Количество

1

P3773K808

FILTER HEAD

3

P33286139

UNION

4

P33286139

UNION

5

PK2654403

OIL FILTER

6

P3686T006

GASKET

7

P2314J041

SCREW

8

P2314J049

SCREW

9

P2313T088

STUD

10

P2318A604

NUT

11

P3773T101

ADAPTOR

12

P3686T006

GASKET

13

P2431A054

PLUG

14

PK2848062

OIL PRESSURE TRANSMITTER

15

P2486A206

OIL COOLER

16

P2486A211

GASKET

17

P2486A209

HOSE-CLAMP

18

P2415B363

O-RING

19

P3746E001

COVER

20

P4126E056

PIPE, OIL

22

PK0576117

NUT

23

PK0566008

SLEEVE

24

PK2441307

ELBOW

25

P3482A006

HOSE

26

P21825195

HOSE-CLAMP

27

P21825195

HOSE-CLAMP

28

P2318A604

NUT

29

P2131A010

WASHER

30

P4126K115

PIPE, OIL

31

P3665K005

HOSE-CLAMP

33

P21825195

HOSE-CLAMP

34

P21825195

HOSE-CLAMP

35

P34821121

HOSE

36

P21825195

HOSE-CLAMP

37

P21825195

HOSE-CLAMP

38

P3346C004

ADAPTOR

39

P2314H002

SCREW

48

PK0650588

PLUG

55

P3623H012

PLATE

56

P3686T006

GASKET

57

P2314J033

SCREW

Выбрано товаров: 0