Запчасти Komatsu WB95R-1 WB97R-1 ТОПЛИВН. ПРЕФИЛЬТР (ASPIRATED ДВИГАТЕЛЬ) ГОЛОВКА ЦИЛИНДРОВ

Схема запчастей Komatsu WB95R-1 WB97R-1 - ТОПЛИВН. ПРЕФИЛЬТР (ASPIRATED ДВИГАТЕЛЬ) ГОЛОВКА ЦИЛИНДРОВ
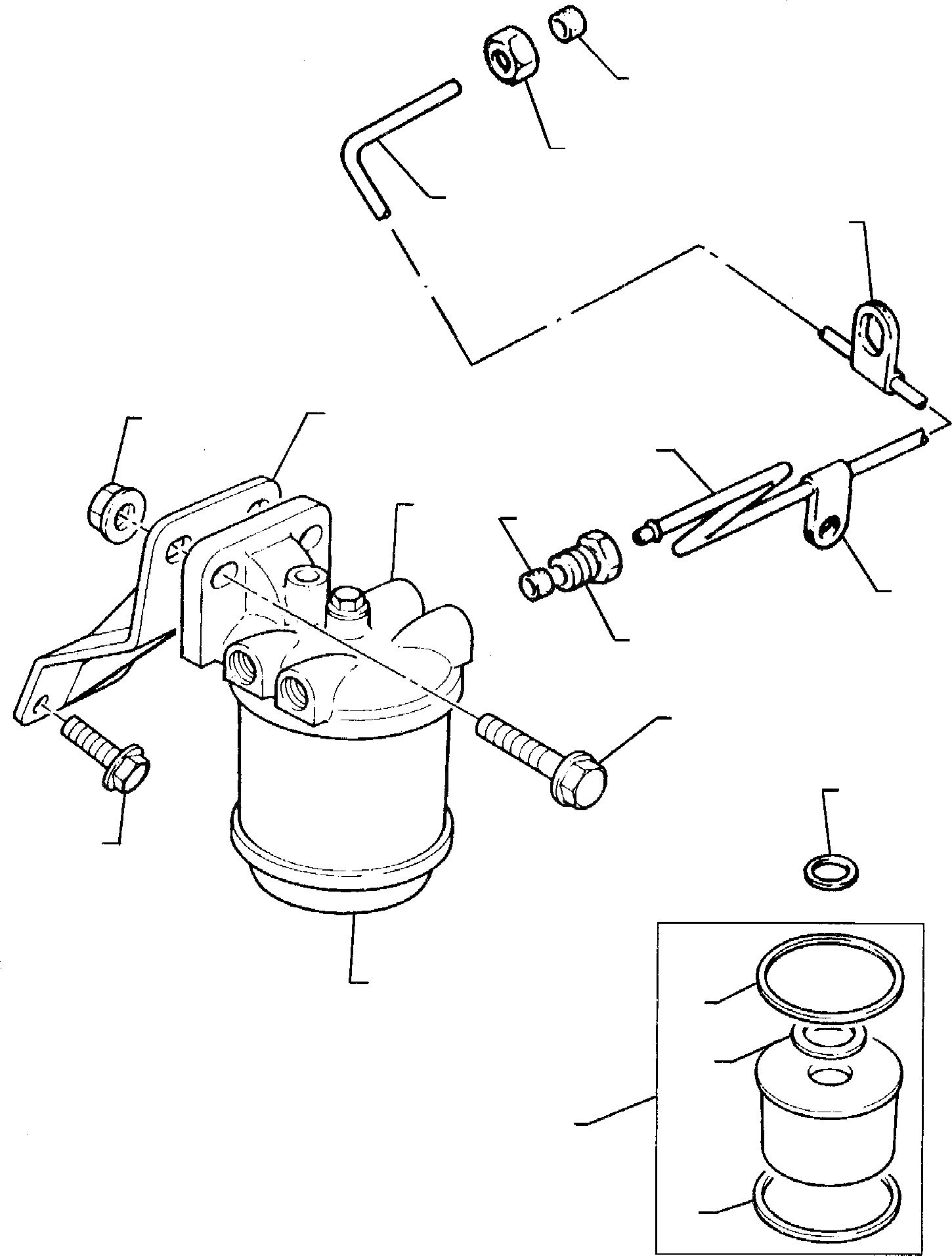
18
17
12
16
6
4
12
1
14
15
13
11
2
5
3
9
10
7
8
FIT
1:1
100%

Артикул

Название

Примечание

Количество

1

PK2656615

FUEL FILTER, ASSY.

2

P26560016

WASHER

3

P26560601

BOWL

4

P2318A604

NUT

5

P2314J002

SCREW

6

P3831E006

BRACKET

7

P26560017

KIT, ELEMENT

7

P26561117

KIT, ELEMENT

8

PK0490786

GASKET

9

PK0490786

GASKET

10

P26560014

SEAL, OIL

11

P2314J004

SCREW

12

P4124E029

PIPE, FUEL

13

P33532148

NUT

14

P3381A002

COTTER

15

P36564121

HOSE-CLAMP

16

P3656M001

HOSE-CLAMP

17

P33225412

NUT

18

P33811112

SLEEVE

Выбрано товаров: 0