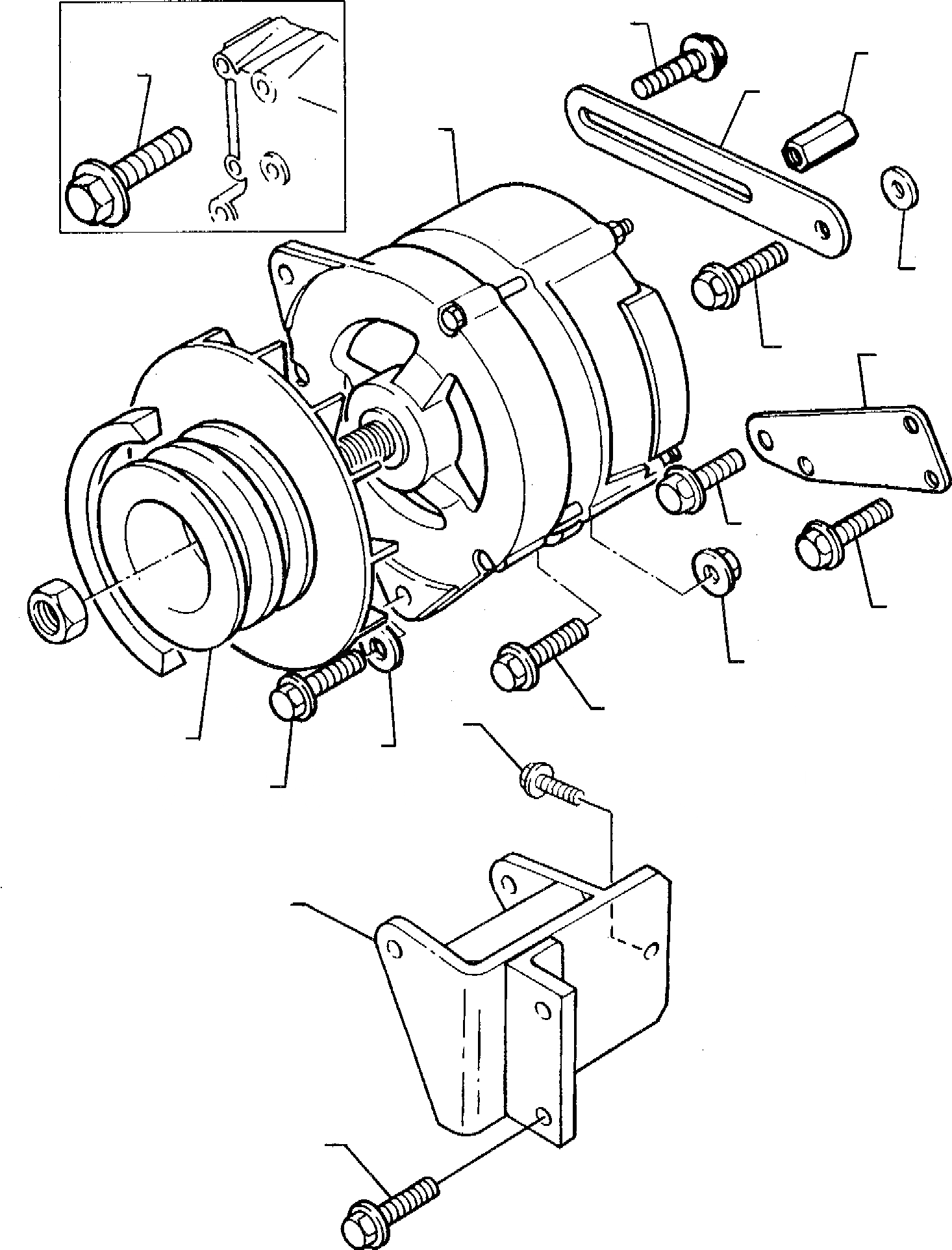
Запчасти Komatsu WB95R-1 WB97R-1 ГЕНЕРАТОР И КРЕПЛЕНИЕS (ASPIRATED ДВИГАТЕЛЬ) ГОЛОВКА ЦИЛИНДРОВ

Схема запчастей Komatsu WB95R-1 WB97R-1 - ГЕНЕРАТОР И КРЕПЛЕНИЕS (ASPIRATED ДВИГАТЕЛЬ) ГОЛОВКА ЦИЛИНДРОВ
15
19
1
14
2
25
16
20
26
21
8
7
10
3
27
5
39
13
FIT
1:1
100%

Артикул

Название

Примечание

Количество

1

P2314H004

BOLT

2

P2871A141

ALTERNATOR

3

P3113H001

PULLEY, ALTERNATOR

5

P2314H005

SCREW

7

P2314H007

SCREW

8

P2318A663

NUT

10

P2314J003

SCREW

13

P2314H012

SCREW

14

P3623X004

BRACKET

15

P2314H003

BOLT

16

P2314J003

SCREW

19

P2318A664

NUT

20

P3861A013

BRACKET

21

P2314H008

SCREW

25

PK0920025

WASHER

26

P2314H017

SCREW

27

PK0920497

SPACER

39

P3828K001

BRACKET

Выбрано товаров: 18