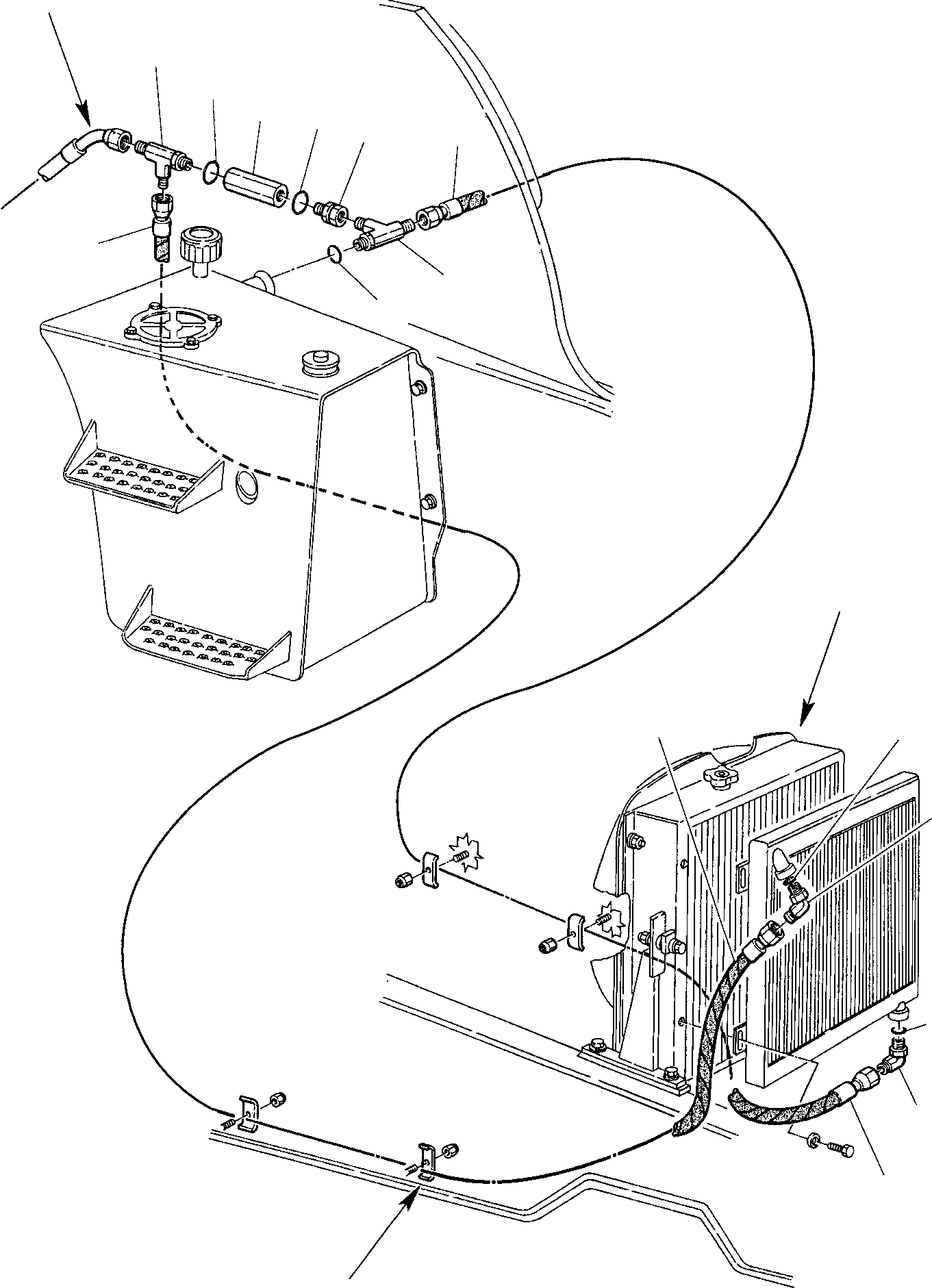
Запчасти Komatsu WB97R-2 ГИДРОЛИНИЯ (МАСЛООХЛАДИТЕЛЬ И ВОЗВРАТ. ЛИНИЯ) (/) ГИДРАВЛИКА РАБОЧЕЕ ОБОРУДОВАНИЕ

Схема запчастей Komatsu WB97R-2 - ГИДРОЛИНИЯ (МАСЛООХЛАДИТЕЛЬ И ВОЗВРАТ. ЛИНИЯ) (/) ГИДРАВЛИКА РАБОЧЕЕ ОБОРУДОВАНИЕ
4
6
7
5
9
8
3
6
7
4
2
1
2
1
3
A
B
C
FIT
1:1
100%

Артикул

Название

Примечание

Количество

1

500352106

UNION

2

855051217

O RING

3

392009108

HOSE

4

392009109

HOSE

5

845190008

VALVE

6

500355309

UNION

7

855051217

O RING

8

200342349

UNION

9

855051217

O RING

Выбрано товаров: 9