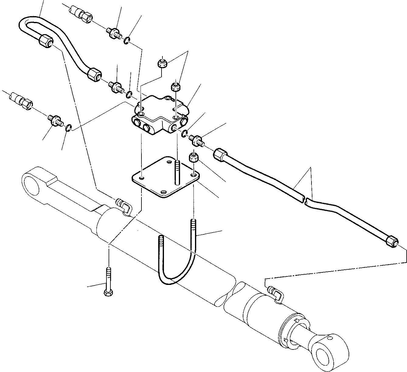
Запчасти Komatsu WB97R-2 ГИДРОЛИНИЯ (ЦИЛИНДР ОПРОКИД-Я КОВША) (КЛАПАН БЕЗОПАСНОСТИ) ГИДРАВЛИКА РАБОЧЕЕ ОБОРУДОВАНИЕ

Схема запчастей Komatsu WB97R-2 - ГИДРОЛИНИЯ (ЦИЛИНДР ОПРОКИД-Я КОВША) (КЛАПАН БЕЗОПАСНОСТИ) ГИДРАВЛИКА РАБОЧЕЕ ОБОРУДОВАНИЕ
11
2
3
8
2
3
1
3
2
2
9
3
10
6
4
5
7
FIT
1:1
100%

Артикул

Название

Примечание

Количество

1

845230004

VALVE

2

500352511

UNION

3

855670003

O RING

4

312637050

VALVE SUPPORT

5

312637601

FASTENER

6

801880001

SELF-LOCKING NUT

7

801015551

BOLT

8

801880408

SELF-LOCKING NUT

9

312637054

TIPPING PIPE, R.H.

10

312637055

TIPPING PIPE, L.H.

11

312637056

TIPPING PIPE

Выбрано товаров: 11