Запчасти Komatsu WB97R-2 ПЕРЕДНИЙ МОСТ (/) РАМА

Схема запчастей Komatsu WB97R-2 - ПЕРЕДНИЙ МОСТ (/) РАМА
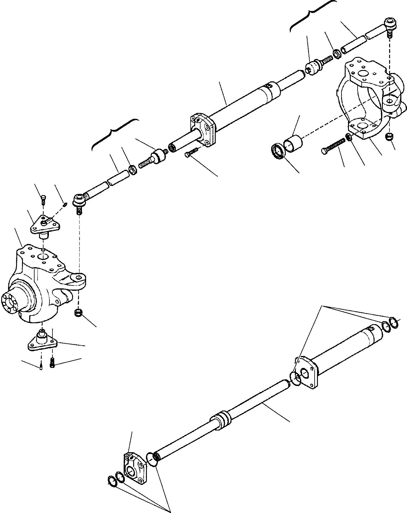
1
4
3
2
5
17
1
2
3
4
11
14
15
16
20
8
6
7
9
10
19
11
12
8
13
21
18
19
FIT
1:1
100%

Артикул

Название

Примечание

Количество

\0

200040619

FRONT AXLE, ASSY

1

CAO140265

STERING ARM ASSY

2

CAO350440

SPHERICAL JOINT

3

CAO022183

NUT

4

CAO351705

TIE ROD

5

CAO139495

JACK

6

CAO128534

BOLT

7

CAO024210

FITTING

8

CAO126922

BOLT

9

CAO128880

KING PIN

10

CAO138721

SWIVEL HOUSING, L.H.

11

CAO022431

NUT

12

CAO128881

KING PIN

13

CAO024211

FITTING

14

CAO138720

SWIVEL HOUSING

15

CAO022129

NUT

16

CAO124748

BOLT

17

CAO109972

BUSH

18

CAO049084

CYLINDER HEAD

19

CAO049210

GASKET KIT

20

CAO116722

OIL SEAL

21

CAO049083

ROD

Выбрано товаров: 22