Запчасти Komatsu WB97R-2 ВОЗДУШН. СИСТЕМА ДВИГАТЕЛЯ (/) ЧАСТИ КОРПУСА И КАБИНА

Схема запчастей Komatsu WB97R-2 - ВОЗДУШН. СИСТЕМА ДВИГАТЕЛЯ (/) ЧАСТИ КОРПУСА И КАБИНА
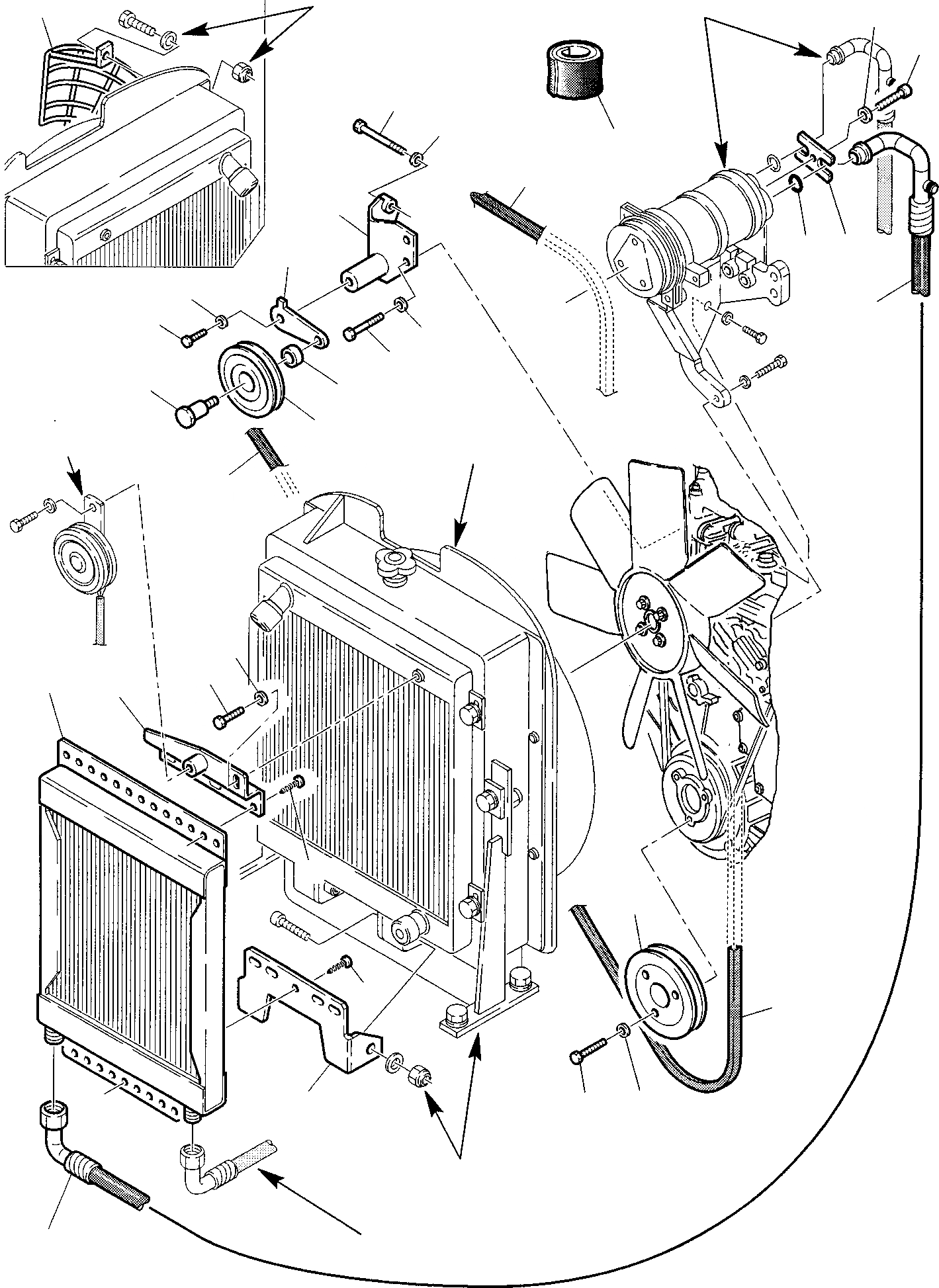
28
17
16
20
21
1
14
18
15
10
22
24
9
23
13
19
26
27
25
14
5
4
2
3
6
11
8
14
13
7
12
9
A
A
A
B
C
C
FIT
1:1
100%

Артикул

Название

Примечание

Количество

\0

888011041

AIR BLENDING SYSTEM, ASSY

\0

888011043

MOTOR AIR BLENDING SYSTEM, ASSY

1

888011044

ADHESIVE PARCELLING

2

312649054

BATTERY

3

312649055

UPPER SUPPORT

4

801015087

BOLT

5

802170001

WASHER

6

801370052

SELF-TAPPING SCREW

7

312649056

LOWER SUPPORT

8

801370052

SELF-TAPPING SCREW

9

312649063

HOSE

10

312649607

O-RING

11

312649068

MOTOR PULLEY

12

801015110

BOLT

13

802170002

WASHER

14

888011072

BELT

15

312649061

FLANGE FIXING TUBE

16

801105546

BOLT

17

888011076

WASHER

18

888011071

ECCENTRIC SUPPORT

19

801015108

BOLT

20

801015554

BOLT

21

802170001

WASHER

22

312649071

ECCENTRIC

23

801024065

BOLT

24

888011073

WASHER

25

312649069

PULLEY

26

312649070

PIN

27

312649604

SPACER

28

312607097

FAN PROTECTION

Выбрано товаров: 30