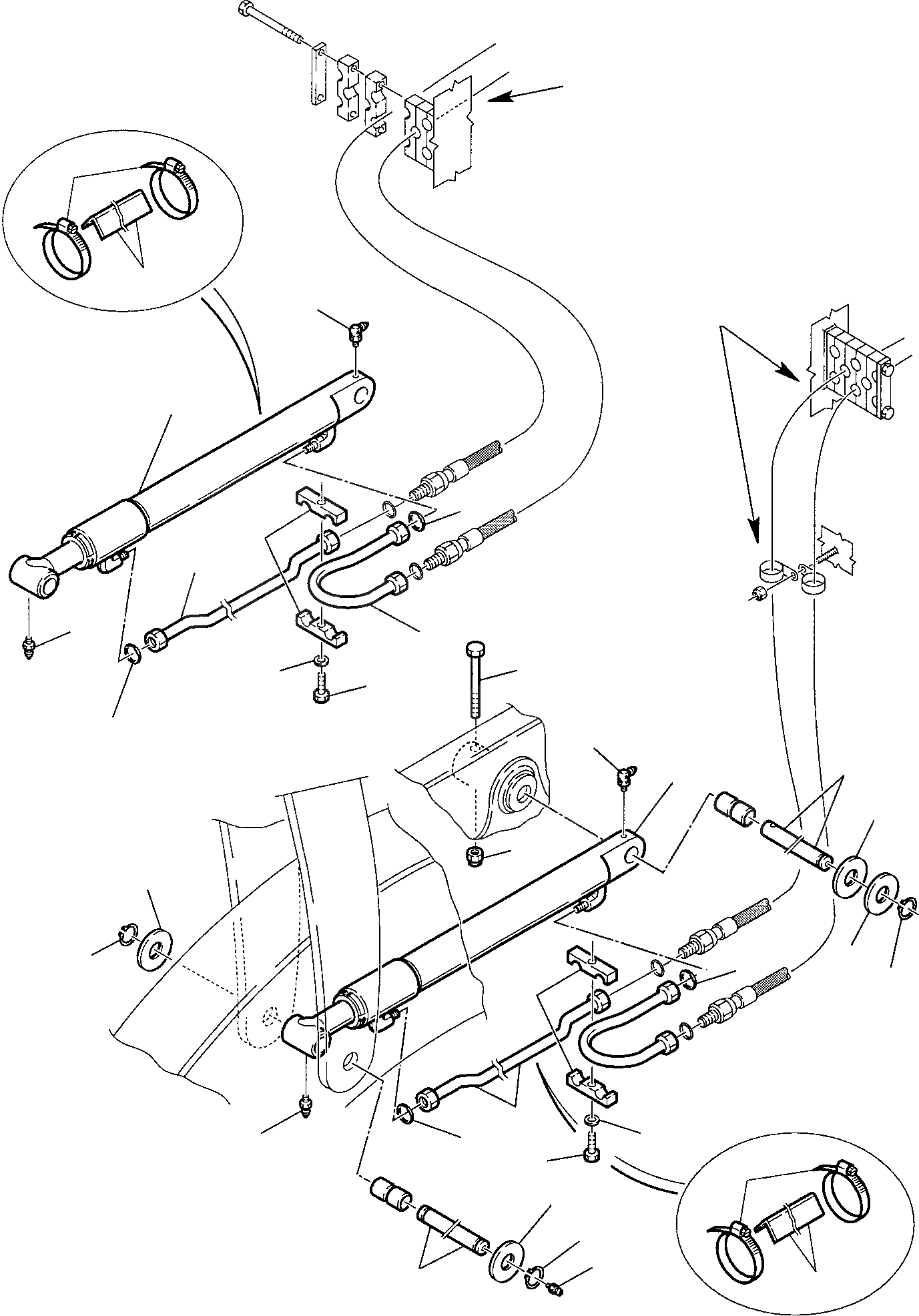
Запчасти Komatsu WB97R-2 ГИДРОЛИНИЯ (КОВШ ЦИЛИНДР ПОДЪЕМА) (/) ГИДРАВЛИКА РАБОЧЕЕ ОБОРУДОВАНИЕ

Схема запчастей Komatsu WB97R-2 - ГИДРОЛИНИЯ (КОВШ ЦИЛИНДР ПОДЪЕМА) (/) ГИДРАВЛИКА РАБОЧЕЕ ОБОРУДОВАНИЕ
21
20
9
1
3
6
4
2
5
11
8
7
3
9
10
1
13
12
17
18
15
3
14
6
4
2
8
3
7
21
17
18
19
16
20
A
A
FIT
1:1
100%

Артикул

Название

Примечание

Количество

1

395012014

HYDRAULIC JACK, ASSY

2

860010007

FITTING

3

855051016

O-RING

4

312610061

PIPE

5

312610056

PIPE

6

200390970

BUCKLE

7

801015089

BOLT

8

802170001

WASHER

9

860030004

FITTING

10

312601665

PIN

11

801015584

BOLT

12

801880212

SELF-LOCKING NUT

13

390608003

WASHER

14

802270019

SNAP RING

15

390608006

WASHER

16

312602613

PIN

17

390608002

WASHER

18

802270017

SNAP RING

19

860010007

FITTING

20

360710611

PROTECTION

21

802660180

WASHER

Выбрано товаров: 21