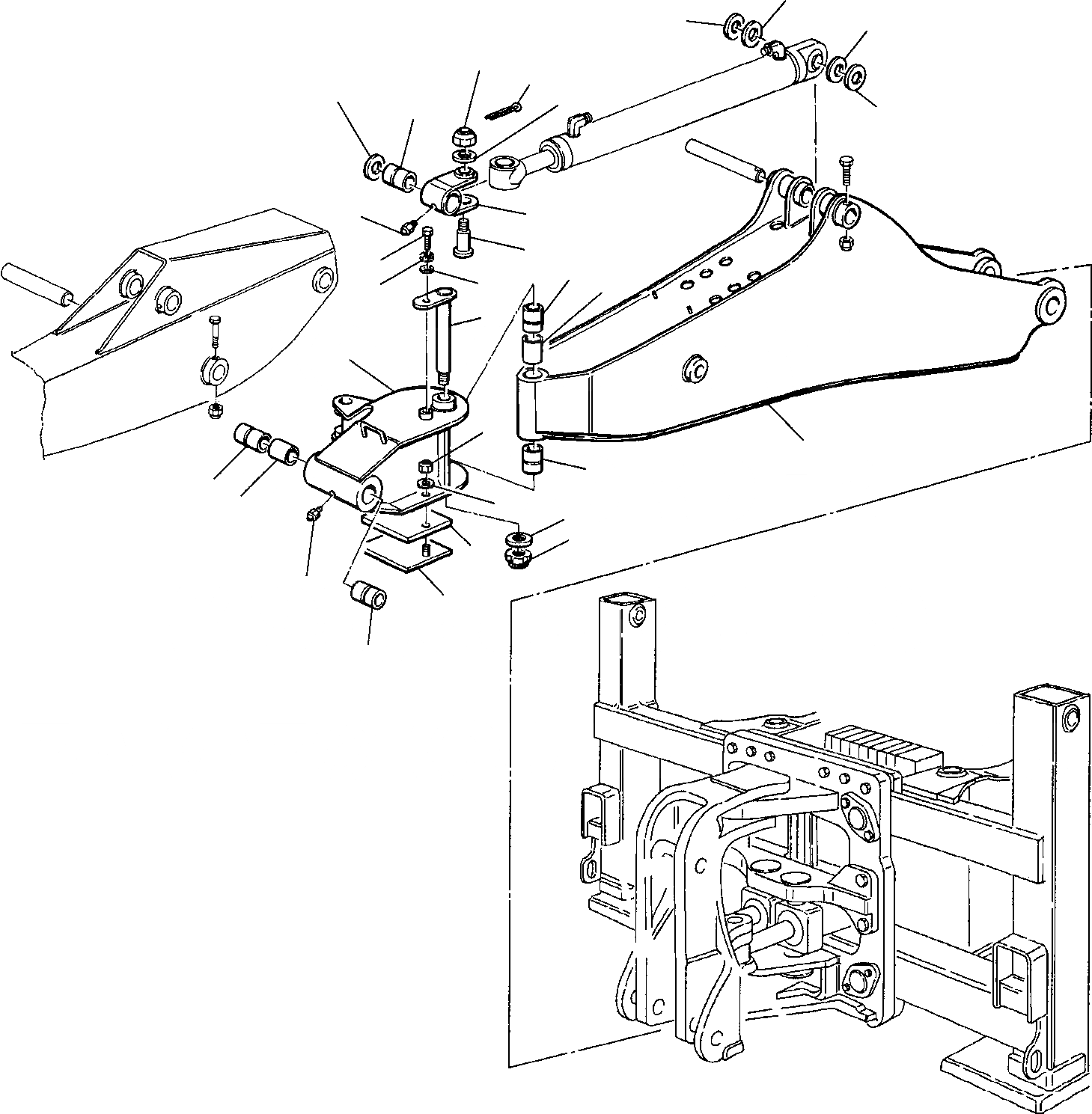
Запчасти Komatsu WB97R-2 СТРЕЛА С БОКОВ. СМЕЩЕНИЕМ РАБОЧЕЕ ОБОРУДОВАНИЕ

Схема запчастей Komatsu WB97R-2 - СТРЕЛА С БОКОВ. СМЕЩЕНИЕМ РАБОЧЕЕ ОБОРУДОВАНИЕ
17
18
17
23
24
18
22
20
18
12
19
21
5
2
7
6
3
4
8
13
1
2
2
11
14
9
10
15
12
16
2
FIT
1:1
100%

Артикул

Название

Примечание

Количество

1

312737061

SIDE DIGGING BOOM

2

500212005

BUSHING

3

500250025

SPACER

4

200321979

PIN

5

801015183

BOLT

6

802150516

SPRING WASHER

7

802170005

WASHER

8

312737050

BRACKET, ASSY

9

802040039

WASHER

10

802030506

RING, NUT

11

500250002

SPACER

12

860010007

FITTING

13

801880214

SELF-LOCKING NUT

14

802170004

WASHER

15

500411328

PLATE

16

200536775

SUPPORT

17

500252040

SPACER

18

500270009

SPACER

19

200513930

ARTICULATION

20

500211014

BUSHING

21

500320013

PIN

22

802160004

WASHER

23

801812230

NUT

24

802610090

COTTER

Выбрано товаров: 24