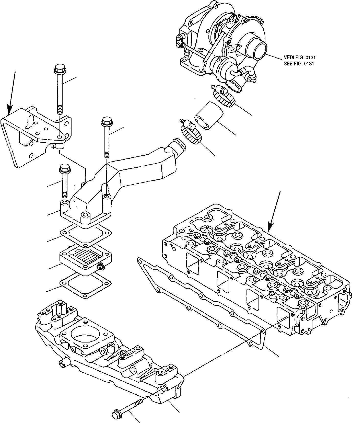
Запчасти Komatsu WB97R-2 ВСАСЫВАЮЩ. ПАТРУБОК ДВИГАТЕЛЬ

Схема запчастей Komatsu WB97R-2 - ВСАСЫВАЮЩ. ПАТРУБОК ДВИГАТЕЛЬ
9
12
5
4
5
2
1
3
8
10
7
6
11
A
B
FIT
1:1
100%

Артикул

Название

Примечание

Количество

\0

871070041

TURBO ENGINE

1

YM123900-12100

MANIFOLD

2

YM123900-12110

GASKET

3

YM26106-080702

BOLT

4

YM129595-18141

HOSE

5

YM23000-054000

CLAMP

6

YM123910-18350

JOINT

7

YM123900-77020

GASKET

8

YM123900-77030

GASKET

9

YM26106-101202

BOLT

10

YM123900-77500

HEATHER AIR

11

YM26106-100752

BOLT

12

YM26106-100952

BOLT

Выбрано товаров: 13