Запчасти Komatsu WB97R-2 СИСТЕМА СМАЗКИ МАСЛ. СИСТЕМА ДВИГАТЕЛЬ

Схема запчастей Komatsu WB97R-2 - СИСТЕМА СМАЗКИ МАСЛ. СИСТЕМА ДВИГАТЕЛЬ
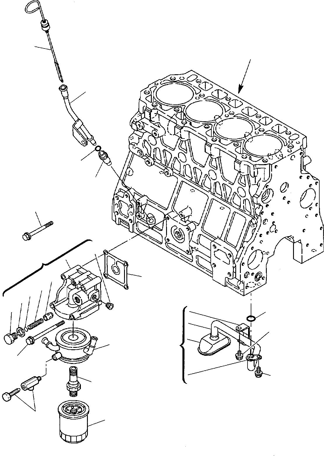
13
15
16
14
12
9
2
10
6
7
4
8
5
23
24
1
18
26
25
11
27
17
A
FIT
1:1
100%

Артикул

Название

Примечание

Количество

\0

871070041

TURBO ENGINE

1

YM123910-33010

LUB.OIL COOLER

2

YM123910-33040

BRACKET COOLER

4

YM121850-35230

SHIM

5

YM124223-35510

RETAINER

6

YM121850-35531

VALVE

7

YM121952-39830

SPRING

8

YM23414-180000

GASKET

9

YM23871-020000

PLUG

10

YM123900-33060

GASKET

11

YM123910-33100

BOLT

12

YM26106-080752

BOLT

13

YM123910-34801

DIPSTICK

14

YM119260-34810

GUIDE

15

YM123910-34810

GUIDE

16

YM24311-240100

O RING

17

YM119005-35100

FILTER

18

YM123910-35000

PIPE

23

YM24314-000180

O RING

24

YM26106-080122

BOLT

25

YM26106-080162

BOLT

26

YM26106-081152

BOLT

27

YM119620-49290

COCK ASSY

Выбрано товаров: 23