Запчасти Komatsu WB97R-2 ГИДРОЛИНИЯ (КОВШ - [4 В 1] ЛИНИЯ ЦИЛИНДРА) (/) ГИДРАВЛИКА РАБОЧЕЕ ОБОРУДОВАНИЕ

Схема запчастей Komatsu WB97R-2 - ГИДРОЛИНИЯ (КОВШ - [4 В 1] ЛИНИЯ ЦИЛИНДРА) (/) ГИДРАВЛИКА РАБОЧЕЕ ОБОРУДОВАНИЕ
10
4
4
9
8
6
7
7
5
4
6
18
2
6
3
7
4
1
1
2
4
3
11
4
10
8
9
12
6
7
17
15
16
17
14
15
19
16
8
9
10
19
13
13
13
A
A
B
B
C
C
D
0
C
E
E
C
A
B
FIT
1:1
100%

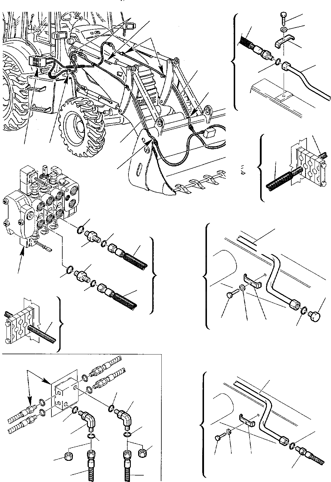
Артикул

Название

Примечание

Количество

1

500380124

UNION

2

855051119

O-RING

3

855051014

O-RING

4

392861002

HOSE

5

855051016

O-RING

6

312631052

PIPE, R.H.

7

312631053

PIPE, L.H.

8

312631600

U-BOLT

9

801015109

BOLT

10

802150510

WASHER

11

500380303

PLUG

12

855051016

O-RING

13

392431005

HOSE

14

855051016

O.RING

15

500380510

ELBOW

16

855051016

O.RING

17

855051617

O.RING

18

312603726

PROTECTION

19

500380313

PLUG

Выбрано товаров: 19